Operation CHARM: Car repair manuals for everyone.
Manuals through 2025 now available!

Our trusted friends have launched a new website named LEMON, which has newer manuals. It also contains all the CHARM manuals.

LEMON is the spiritual successor to CHARM, I recommend you try it!

Link: lemon-manuals.la or lemon-manuals.org.ua

(Some people have issue connecting. LEMON is investigating. For now, use Firefox or change your DNS server)

Or, hide this message: temporarily or permanently

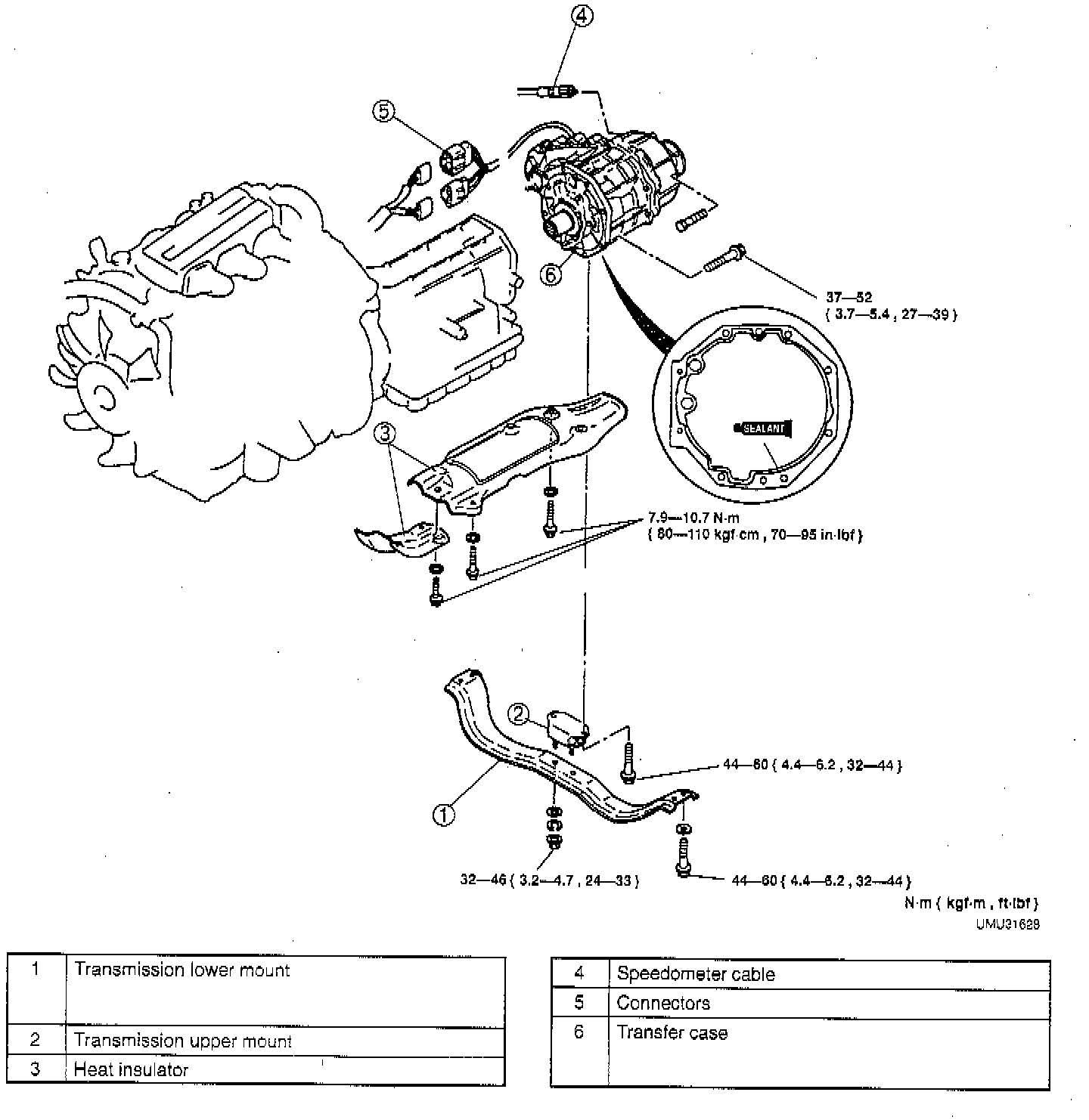
Replacement





REMOVAL / INSTALLATION
1. Drain the transfer oil, referring to the following:
a. Remove the filler and level plugs.
b. Remove the drain plug, and drain the oil into a container.
c. Wipe all plugs clean.





d. Install the drain plug and a new washer. Tighten to 40 - 58 Nm (29 - 43 ft. lbs.).





e. Add the specified oil through the filler plug port until the oil rises to the brim edge of the level plug hole.





f. Install the plugs and new washers. Tighten filler plug to 40 - 58 Nm (29 - 43 ft. lbs.) and level plug to 19 - 25 Nm (14 - 18 ft. lbs.).
2. Remove the exhaust system.
3. Remove the propeller shaft. Refer to propeller shaft.

WARNING: Improperly jacking a transfer case is dangerous. It can slip off the jack and cause serious injury. Verify that the jack is in the proper position underneath the transfer case before jacking it.

4. Remove in the order indicated in the illustration, referring to removal note.
5. Install in the reverse order of removal indicated in the illustration, referring to installation note.
6. Install the propeller shaft. Refer to propeller shaft.
7. Install the exhaust system.
8. Fill the transfer with the specified transfer oil after installation. Refer to step 1.
9. Check for leakage of transfer oil from all connecting points.

Removal Note





Transmission Lower Mount (1)
1. Support the transmission on a transmission jack.
2. Remove the transmission lower mount.





Transfer Case (6)
1. Support the transfer case on a transmission jack.





2. Remove the transfer case by using a plastic hammer.

Installation Note





Transfer Case (6)
1. Apply silicone sealant to the transfer case as shown.
2. Support the transfer case on a transmission jack.





3. Install the transfer case. Tighten to 37 - 52 Nm (27 - 39 ft. lbs.).





Transmission Lower Mount (1)
1. Temporarily install washers and nuts A.
2. Tighten bolts B to 44 - 60 Nm (32 - 44 ft. lbs.).
3. Tighten nuts A to 32 - 46 Nm (24 - 33 ft. lbs.).