Operation CHARM: Car repair manuals for everyone.
Manuals through 2025 now available!

Our trusted friends have launched a new website named LEMON, which has newer manuals. It also contains all the CHARM manuals.

LEMON is the spiritual successor to CHARM, I recommend you try it!

Link: lemon-manuals.la or lemon-manuals.org.ua

(Some people have issue connecting. LEMON is investigating. For now, use Firefox or change your DNS server)

Or, hide this message: temporarily or permanently

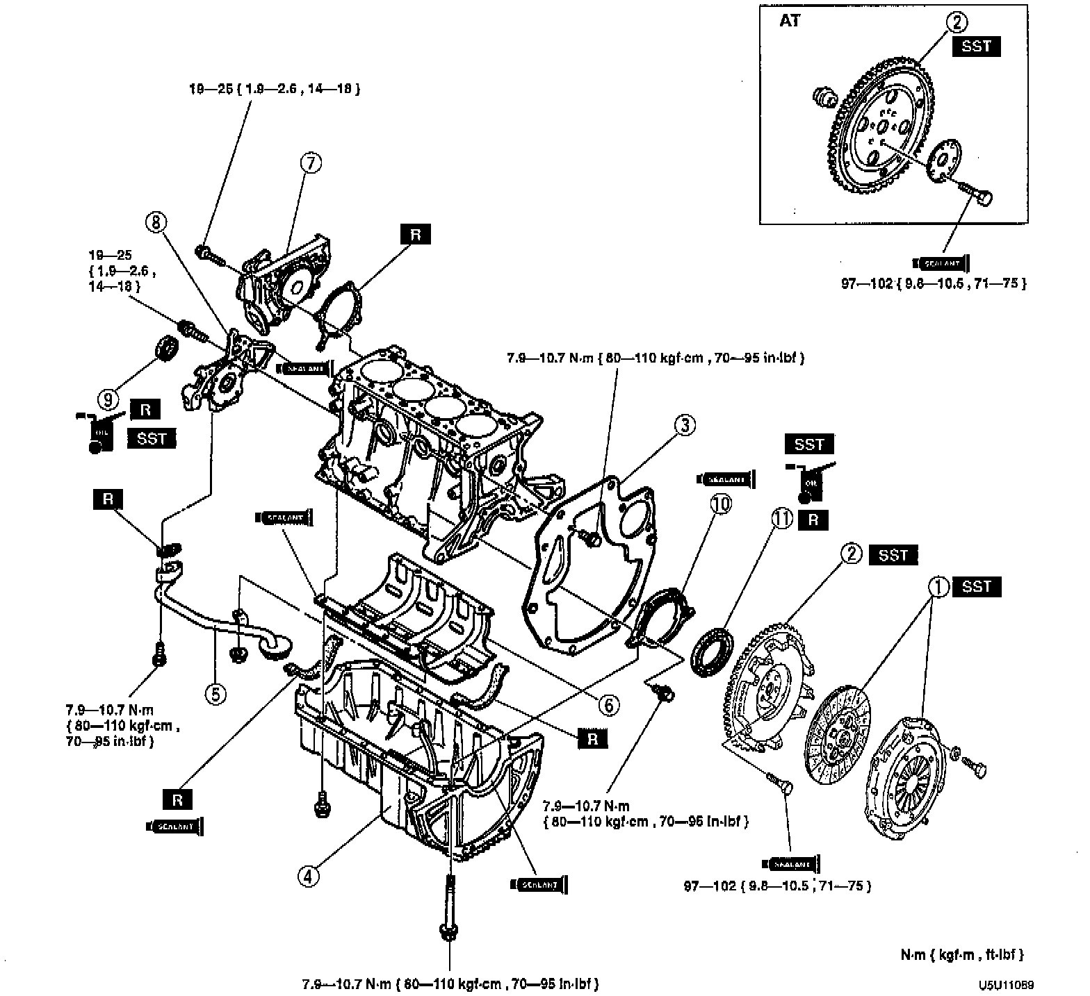
Torque Specifications

Timing Components:












Torque Sequence:







Tighten the main bearing cap bolts in two or three steps in the order shown to a torque of 54-58 Nm. (40-43 ft. lbs.)


Tightening the oil pan bolts to 7.9-10.7 Nm (70-90 inch lbs.).







Install the SST and tighten the flex plate bolts to 97 - 102 Nm (71 - 75 ft. lbs.).


Install and tighten flywheel bolts 97 - 102 Nm (71 - 75 ft. lbs.)