Operation CHARM: Car repair manuals for everyone.
Manuals through 2025 now available!

Our trusted friends have launched a new website named LEMON, which has newer manuals. It also contains all the CHARM manuals.

LEMON is the spiritual successor to CHARM, I recommend you try it!

Link: lemon-manuals.la or lemon-manuals.org.ua

(Some people have issue connecting. LEMON is investigating. For now, use Firefox or change your DNS server)

Or, hide this message: temporarily or permanently

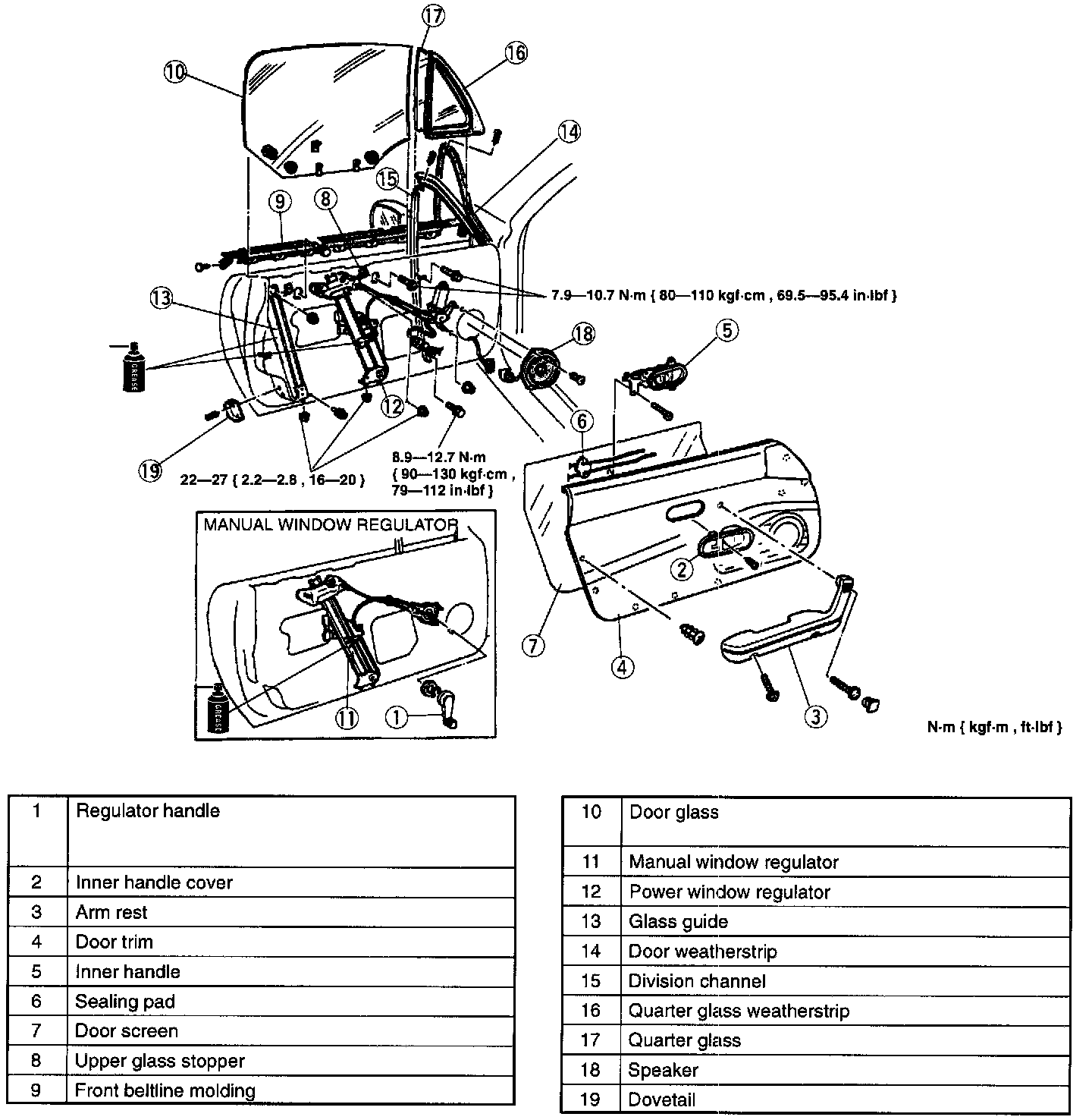
Window Regulator: Service and Repair





1. Raise the door glass about 190 mm { 7.5 in } from the fully open position.
2. Disconnect the negative battery cable.
3. Remove in the order indicated in the table.

Removal Note





^ Remove the regulator handle clip by using a rag as shown.

4. Install in the reverse order of removal indicated in the table.

Installation Note





^ Raise the door glass fully.
^ Install the clip in the regulator handle (A).
^ Push the regulator handle as shown (B).

5. Connect the negative battery cable.