Knock Sensor: Service and Repair
REPLACEMENTWARNING: Fuel vapor is hazardous. It can very easily ignite, causing serious injury and damage. Always keep sparks and flames away from fuel. Fuel line spills and leaks are dangerous. Fuel can ignite and cause serious injuries or death and damage. Fuel can also irritate skin and eyes. To prevent this, always complete the "Fuel Pressure Release Procedure".
Fuel Pressure Release
1. Disconnect the negative battery cable.
2. Drain the coolant from the radiator.
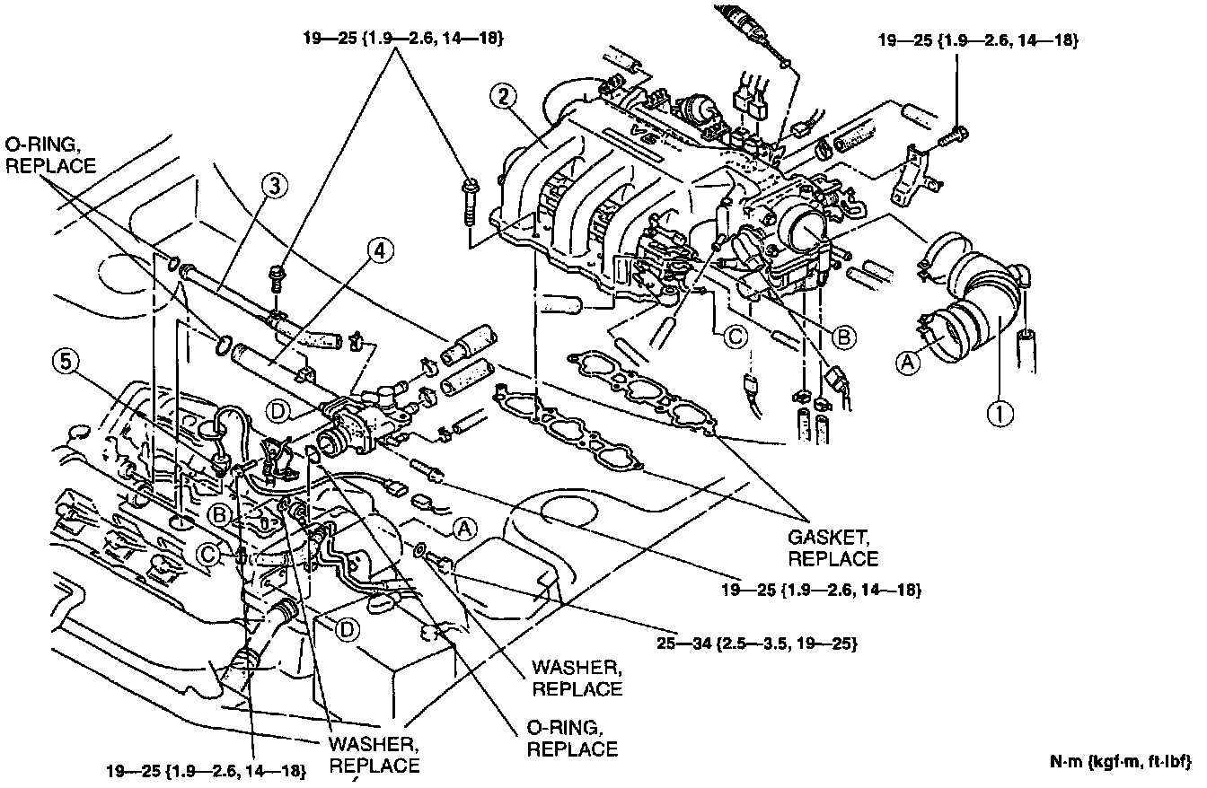
3. Remove in the order shown in the figure.
4. Install in the reverse order of removal.
5. Refill the radiator with the specified engine coolant.
Intake Component Removal & Installation:
1. Air hose
2. Intake manifold
3. Bypass pipe
4. Water pipe
5. Knock sensor
Knock Sensor Removal:
Knock Sensor Removal/Installation Note
Use the Special Service Tool (49 H018 001) to remove and install the knock sensor.