Operation CHARM: Car repair manuals for everyone.
Manuals through 2025 now available!

Our trusted friends have launched a new website named LEMON, which has newer manuals. It also contains all the CHARM manuals.

LEMON is the spiritual successor to CHARM, I recommend you try it!

Link: lemon-manuals.la or lemon-manuals.org.ua

(Some people have issue connecting. LEMON is investigating. For now, use Firefox or change your DNS server)

Or, hide this message: temporarily or permanently

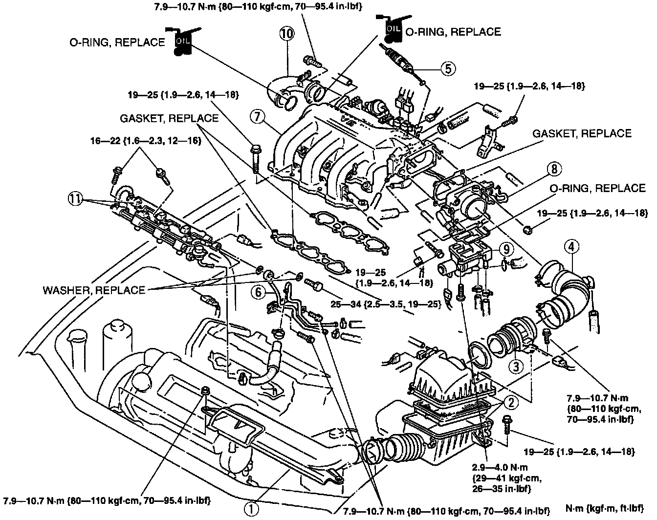
Torque Specifications

Intake Components:







1. Fresh-air duct
2. Air cleaner
3. Volume air flow sensor
4. Air intake hose
5. Accelerator cable
6. Fuel pipe
7. Intake manifold (Inspect)
8. Throttle body (Inspect)
9. BAC valve
10. Air intake pipe (Inspect)
11. Fuel distributor







Upper Engine:







Cam Cap Torque/Sequence:






Valve Cover Torque/Sequence:












Cylinder Head Installation Note
Before installation, measure the length of each bolt. Replace any that exceed the maximum length.

Standard length: 131.2 - 131.8 mm {5.16 - 5.188 inch}
Maximum length: 132.5 mm {5.217 inch}


Head Torque Sequence:





Tighten the bolts in two or three steps in the order shown.

Tightening torque: 23.1 - 25.9 Nm {2.35 - 2.65 kgf/m, 17 - 19.1 ft. lbs.}








Put a paint mark on each bolt head
Using the marks as a reference, tighten the bolts by turning each 85° - 95° in the sequence shown.
Further tighten each bolt by turning another 85° - 95° in the sequence shown.