Manuals through 2025 now available!
Our trusted friends have launched a new website named LEMON, which has newer manuals. It also contains all the CHARM manuals.
LEMON is the spiritual successor to CHARM, I recommend you try it!
Link:
lemon-manuals.la or
lemon-manuals.org.ua
(Some people have issue connecting. LEMON is investigating. For now, use Firefox or change your DNS server)
Or, hide this message:
temporarily or
permanently
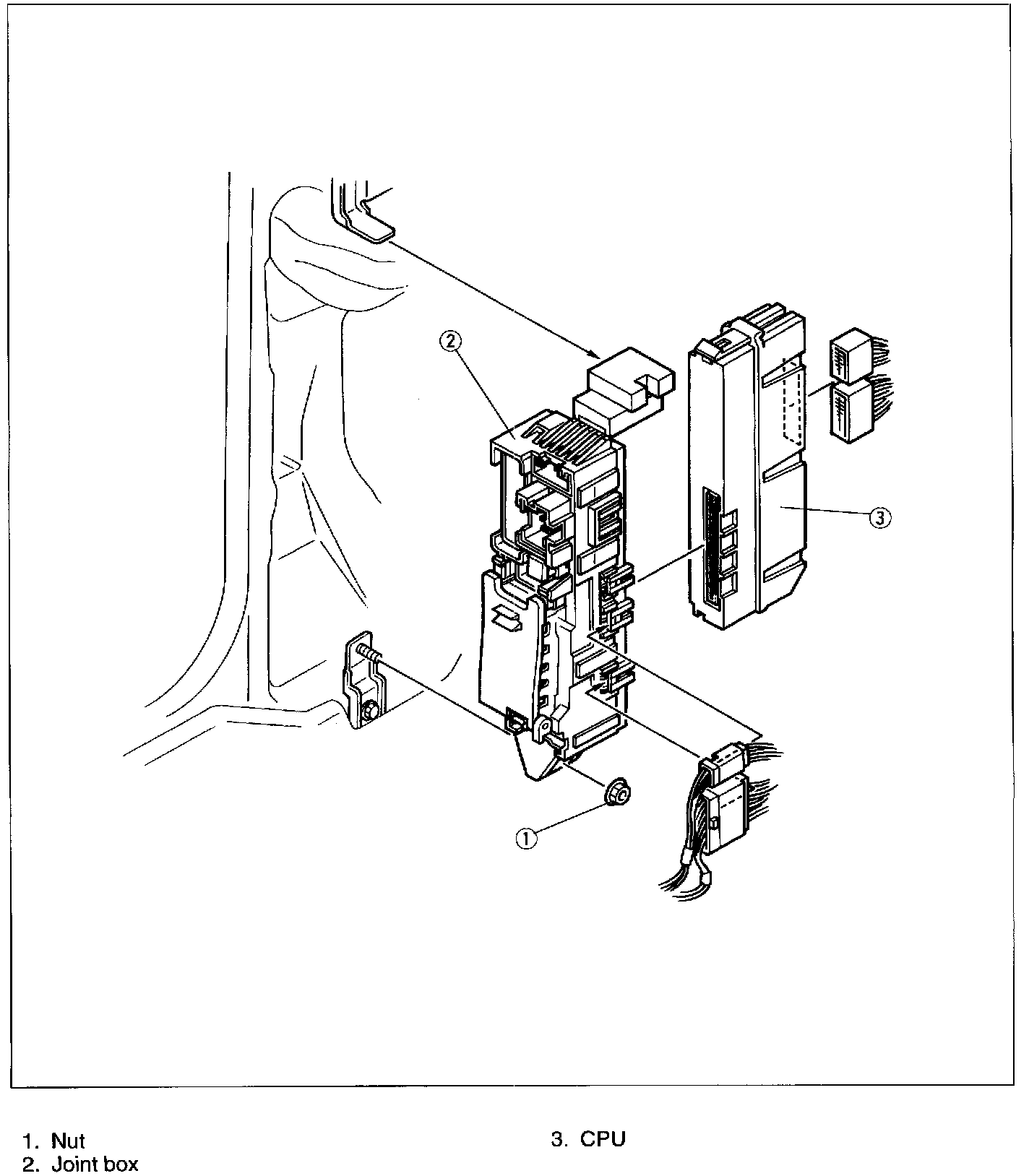
Multiple Junction Connector: Service and Repair
Removal / Installation 1.
Disconnect the negative
battery cable.
2.
Remove the scuff plate and front side trim.
3.
Disconnect the joint box and CPU connectors.
4.
Remove in the order shown in the figure.
5.
Install in the reverse order of removal.