Operation CHARM: Car repair manuals for everyone.
Manuals through 2025 now available!

Our trusted friends have launched a new website named LEMON, which has newer manuals. It also contains all the CHARM manuals.

LEMON is the spiritual successor to CHARM, I recommend you try it!

Link: lemon-manuals.la or lemon-manuals.org.ua

(Some people have issue connecting. LEMON is investigating. For now, use Firefox or change your DNS server)

Or, hide this message: temporarily or permanently

Cluster Switch




Removal / Installation
1. Remove the meter hood.
2. Remove in the order shown in the figure.
3. Install in the reverse order of removal.

Fog Light Switch Inspection
1. Remove the cluster switch.







2. Check for continuity between the cluster switch terminals.
3. If not as specified, replace the cluster switch.

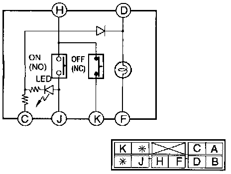
Cruise Control Main Switch Inspection
1. Remove the cluster switch.







2. Check for continuity between the cluster switch terminals.
3. Connect battery positive voltage to terminal J and ground to terminal C of the cruise control switch.
4. Verify that the light-emitting diode illuminates.
5. If not as specified, replace the cluster switch.