Operation CHARM: Car repair manuals for everyone.
Manuals through 2025 now available!

Our trusted friends have launched a new website named LEMON, which has newer manuals. It also contains all the CHARM manuals.

LEMON is the spiritual successor to CHARM, I recommend you try it!

Link: lemon-manuals.la or lemon-manuals.org.ua

(Some people have issue connecting. LEMON is investigating. For now, use Firefox or change your DNS server)

Or, hide this message: temporarily or permanently

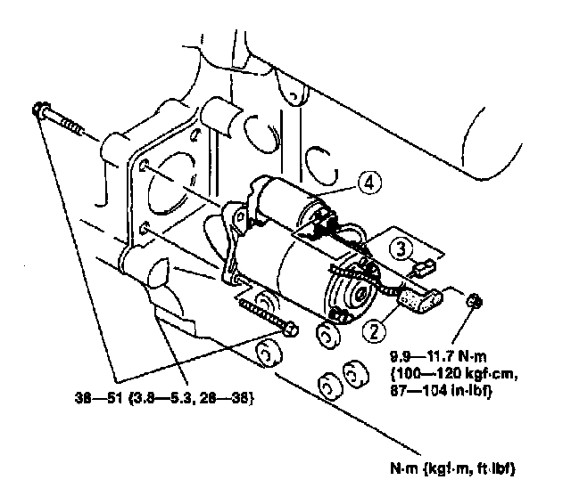
Starter Motor: Service and Repair

WARNING: When the battery cable are connected, touching the vehicle body with starter terminal B will generate sparks. This can cause personal injury, fire, and damage to the electrical components. Always disconnect the battery before performing the following operation.




1. Remove the battery.
2. Remove the air cleaner component.
3. Remove the transverse member.
4. Remove the intake manifold bracket.
5. Remove the fuel filter with the fuel hose still connected. Position the fuel filter so that it is out of the way.
6. Remove the oil pipe.
7. Remove in the order indicated in the table.
8. Install in the reverse order of removal.




Starter Installation Note
^ Tighten the starter fitting bolts in the order shown.