Operation CHARM: Car repair manuals for everyone.
Manuals through 2025 now available!

Our trusted friends have launched a new website named LEMON, which has newer manuals. It also contains all the CHARM manuals.

LEMON is the spiritual successor to CHARM, I recommend you try it!

Link: lemon-manuals.la or lemon-manuals.org.ua

(Some people have issue connecting. LEMON is investigating. For now, use Firefox or change your DNS server)

Or, hide this message: temporarily or permanently

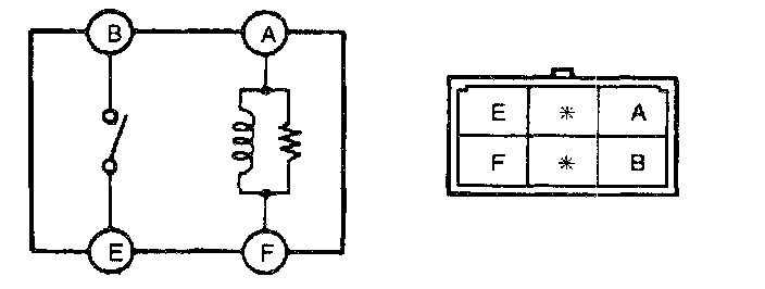
Rear Defogger Relay: Testing and Inspection

1. Remove the rear window defroster relay.







2. Inspect for continuity between the rear window defroster relay terminals by using an ohmmeter.
3. If not as specified, replace the rear window defroster relay.