Operation CHARM: Car repair manuals for everyone.
Manuals through 2025 now available!

Our trusted friends have launched a new website named LEMON, which has newer manuals. It also contains all the CHARM manuals.

LEMON is the spiritual successor to CHARM, I recommend you try it!

Link: lemon-manuals.la or lemon-manuals.org.ua

(Some people have issue connecting. LEMON is investigating. For now, use Firefox or change your DNS server)

Or, hide this message: temporarily or permanently

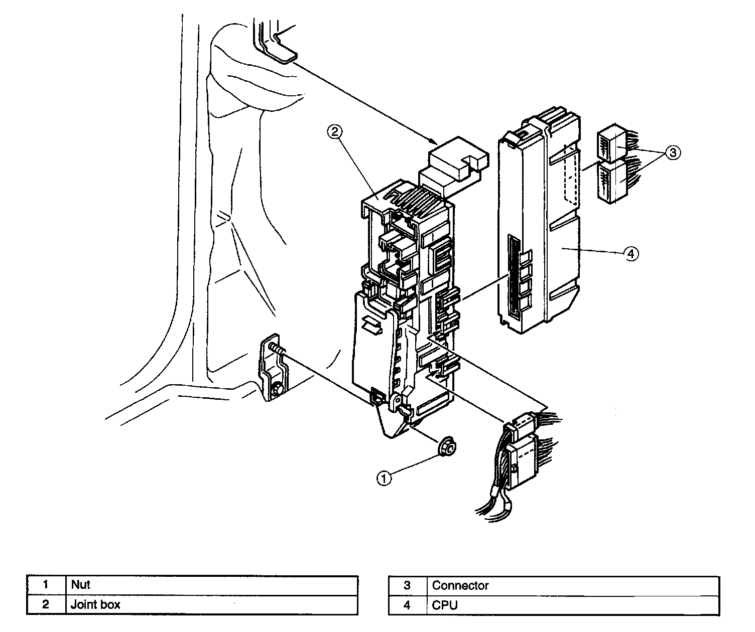
Central Control Module: Service and Repair




1. Disconnect the negative battery cable.
2. Remove the scuff plate
3. Remove the front side trim.
4. Remove in the order indicated in the table.
5. Install in the reverse order of removal.