Operation CHARM: Car repair manuals for everyone.
Manuals through 2025 now available!

Our trusted friends have launched a new website named LEMON, which has newer manuals. It also contains all the CHARM manuals.

LEMON is the spiritual successor to CHARM, I recommend you try it!

Link: lemon-manuals.la or lemon-manuals.org.ua

(Some people have issue connecting. LEMON is investigating. For now, use Firefox or change your DNS server)

Or, hide this message: temporarily or permanently

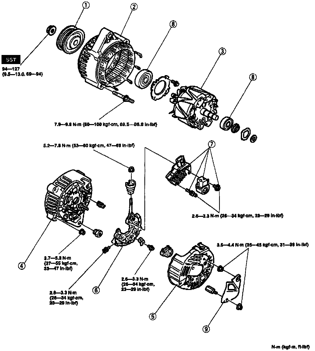
Generator Disassembly / Assembly

Part 1 Of 2:




Part 2 Of 2:





1. Disassemble in the order indicated in the table.
2. Inspect all parts and repair or replace as necessary.
3. Assemble in the reverse order of disassembly.





PULLEY REMOVAL NOTE
1. Fit Special Service Tool (SST) (1 - A) onto the pulley shaft.
2. Secure SST (1 - A) and screw SST (1 - B) onto it.





3. Tighten SST (1 - B) to secure SST (1 - A) onto the pulley shaft.

Tightening torque (reaction torque of SST 1 - A):
53.9 Nm (39.8 ft. lbs.)






4. Secure SST (2) in a vise by its straight edges.
5. With SST (1 - A and B) installed, fit the pulley locknut of the generator into the SST (2).





6. Turn SST (1 - A) in the generator rotation direction to loosen the pulley locknut.
7. Remove the generator from SST (2).
8. Secure SST (1 - A) and loosen SST (1 - B) . Remove SST (1 - A and B).
9. Remove the pulley locknut and pulley.

PULLEY INSTALLATION NOTE
- Install in the reverse order of removal.