Operation CHARM: Car repair manuals for everyone.
Manuals through 2025 now available!

Our trusted friends have launched a new website named LEMON, which has newer manuals. It also contains all the CHARM manuals.

LEMON is the spiritual successor to CHARM, I recommend you try it!

Link: lemon-manuals.la or lemon-manuals.org.ua

(Some people have issue connecting. LEMON is investigating. For now, use Firefox or change your DNS server)

Or, hide this message: temporarily or permanently

Engine Assembly Removal and Installation

ENGINE REMOVAL/INSTALLATION [FS]





Warning:
- Fuel vapor is hazardous. It can very easily Ignite, causing serious injury and damage. Always keep sparks and flames away from fuel.
- Fuel line spills and leaks are dangerous. Fuel can ignite and cause serious injuries or death and damage. Fuel can also irritate skin and eyes. To prevent this, always complete the "Fuel Line Safety Procedures".
Refer to Powertrain Management.

1. Disconnect the negative battery cable.
2. Remove the radiator.
3. Remove the air cleaner.
4. Remove the accelerator cable.
5. Disconnect the fuel hose. Fuel Delivery and Air Induction
6. Remove the front pipe. Exhaust System
7. Remove the rods, cables and pipes related to the transaxle.
8. Remove the battery.
9. Remove the fuse box.
10. Remove the P/S oil pump with the oil hose still connected. Position the P/S oil pump so that it is out of the way.
11. Remove the A/C compressor with the pipe still connected. Position the A/C compressor so that it is out of the way.
12. Remove the cruise actuator.
13. Remove the drive shaft.
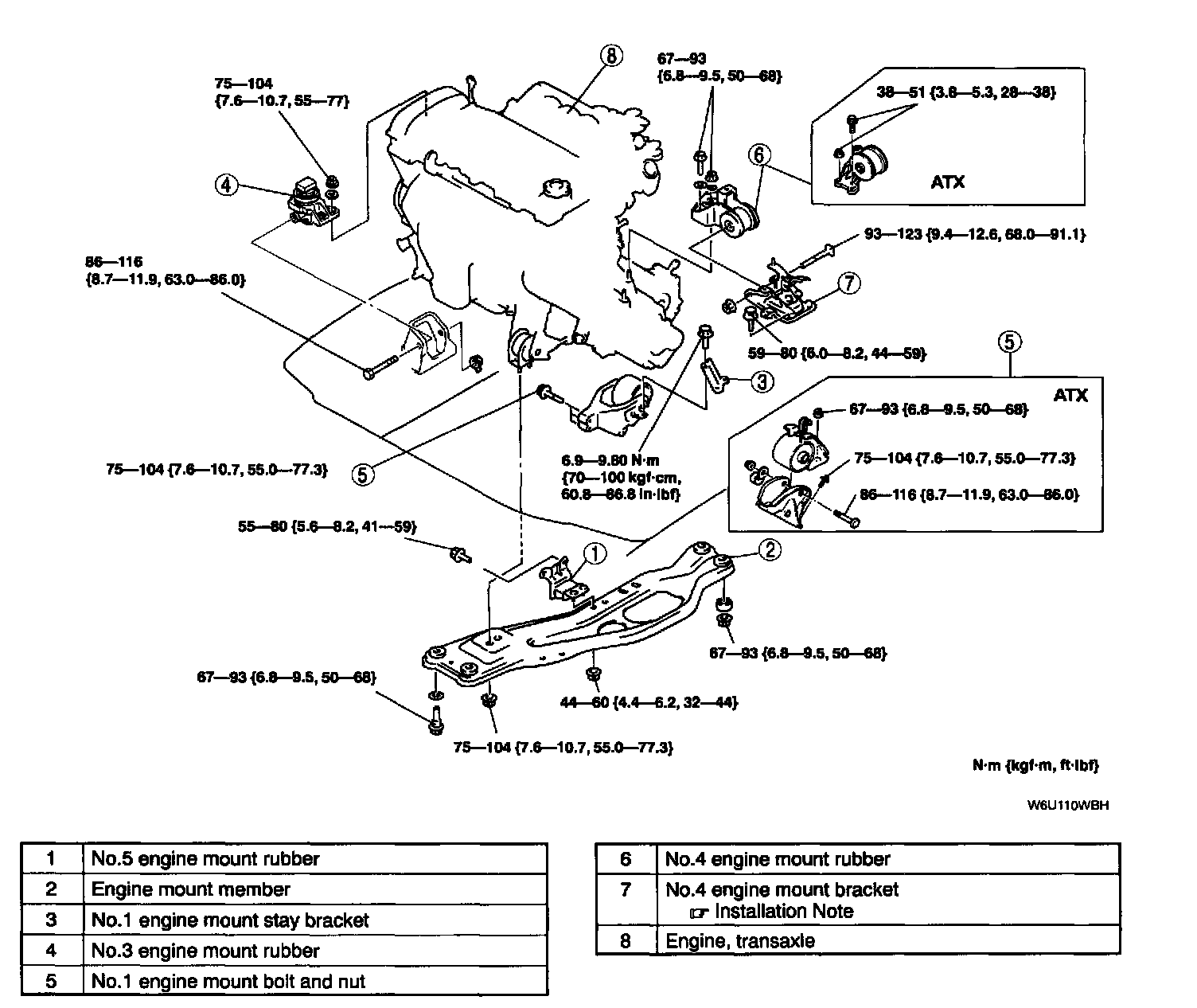
14. Remove in the order indicated in the table.
15. Install in the reverse order of removal.
16. Start the engine and
1. Inspect for the engine oil, engine coolant, transaxle oil and fuel leakage.
2. Verify the ignition timing, idle speed and idle mixture. Refer to Powertrain Management.
17. Perform a road test.

No.4 Engine Mount Bracket Installation Note




- Tighten the bolts in the order shown.


ENGINE DISASSEMBLY/ASSEMBLY [FS]




1. Disconnect the engine and transaxle.
2. Remove the intake-air system.
3. Remove the exhaust system.
4. Remove the oil filter.
5. Remove the thermostat.
6. Remove the ignition coil.
7. Remove the generator.
8. Disassemble in the order indicated in the table.
9. Assemble in the reverse order of disassembly.