Operation CHARM: Car repair manuals for everyone.
Manuals through 2025 now available!

Our trusted friends have launched a new website named LEMON, which has newer manuals. It also contains all the CHARM manuals.

LEMON is the spiritual successor to CHARM, I recommend you try it!

Link: lemon-manuals.la or lemon-manuals.org.ua

(Some people have issue connecting. LEMON is investigating. For now, use Firefox or change your DNS server)

Or, hide this message: temporarily or permanently

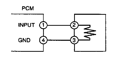
Thermistor Sensor (IAT, ECT)

THERMISTOR SENSOR (IAT, ECT)




Investigate the input signal system

1. When you get an unusual signal, measure the # 1 PCM terminal voltage.
- If the # 1 terminal voltage and the NGS monitor voltage are the same, proceed to the next step.

- If there is a difference of 0.5 volts or more, inspect for the following points concerning the PCM connector.
- Female terminal opening looseness
- Coupler (pin holder) damage
- Pin discoloration (blackness)
- Harness/pin crimp is loose or disconnected.

2. When you get an unusual signal, measure the # 2 sensor terminal voltage.
- If there is a 0.5 volts or more difference between the sensor and NGS voltages, inspect the harness for open or short circuits.
- If the sensor and NGS voltages are the same, inspect for the following points concerning the sensor connector.

- If there are no problems, proceed to next investigation below.
- Female terminal opening looseness
- Coupler (pin holder) damage
- Pin discoloration (blackness)
- Harness/pin crimp is loose or disconnected.

Investigate the Ground system

1. Confirm that terminal sensor # 3 is at 0 volts.
- If it is at 0 volts, inspect the sensor. If necessary, replace the sensor.

- If not, inspect for the following:
- Open circuit in harness
- Female terminal opening looseness
- Coupler (pin holder) damage
- Pin discoloration (blackness)
- Harness/pin crimp is loose or disconnected.