Operation CHARM: Car repair manuals for everyone.
Manuals through 2025 now available!

Our trusted friends have launched a new website named LEMON, which has newer manuals. It also contains all the CHARM manuals.

LEMON is the spiritual successor to CHARM, I recommend you try it!

Link: lemon-manuals.la or lemon-manuals.org.ua

(Some people have issue connecting. LEMON is investigating. For now, use Firefox or change your DNS server)

Or, hide this message: temporarily or permanently

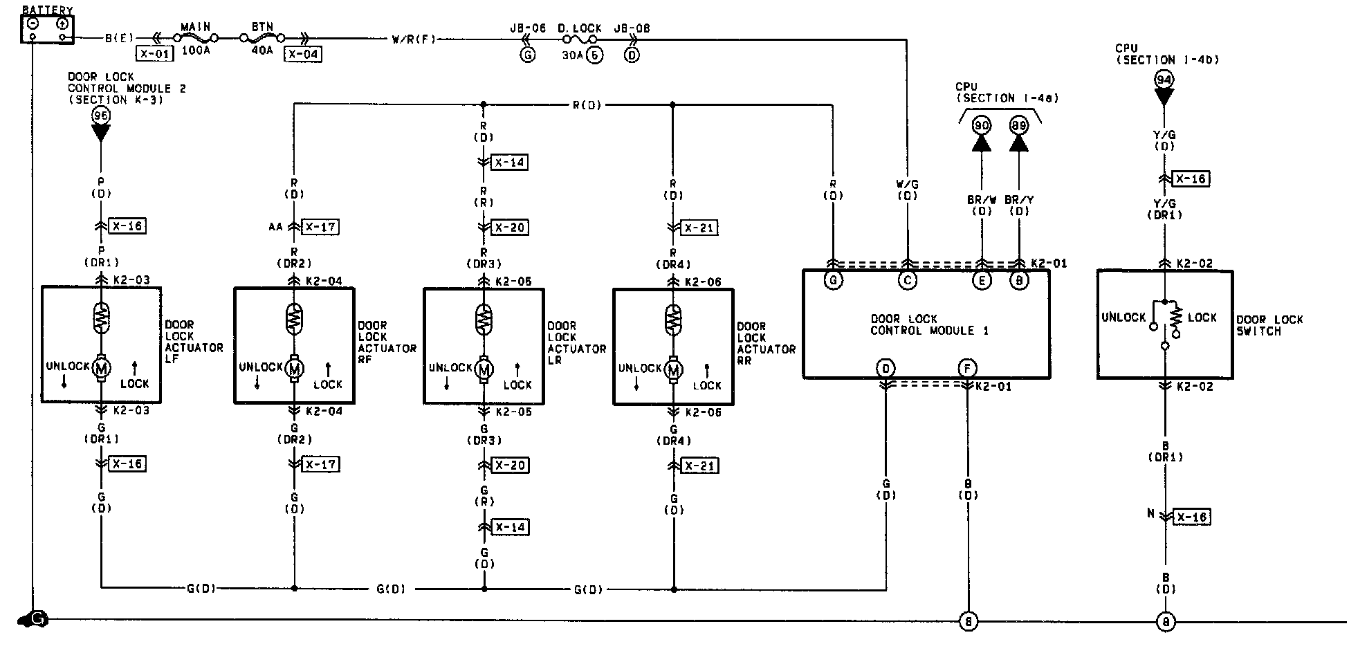
Power Locks





Electrical Diagram





Connector Views





Connector Locations

REFERENCED DIAGRAMS

In many instances electrical diagrams will refer you to another section to complete the circuit. These referenced sections can be found at vehicle level under "Diagrams."Diagrams