Operation CHARM: Car repair manuals for everyone.
Manuals through 2025 now available!

Our trusted friends have launched a new website named LEMON, which has newer manuals. It also contains all the CHARM manuals.

LEMON is the spiritual successor to CHARM, I recommend you try it!

Link: lemon-manuals.la or lemon-manuals.org.ua

(Some people have issue connecting. LEMON is investigating. For now, use Firefox or change your DNS server)

Or, hide this message: temporarily or permanently

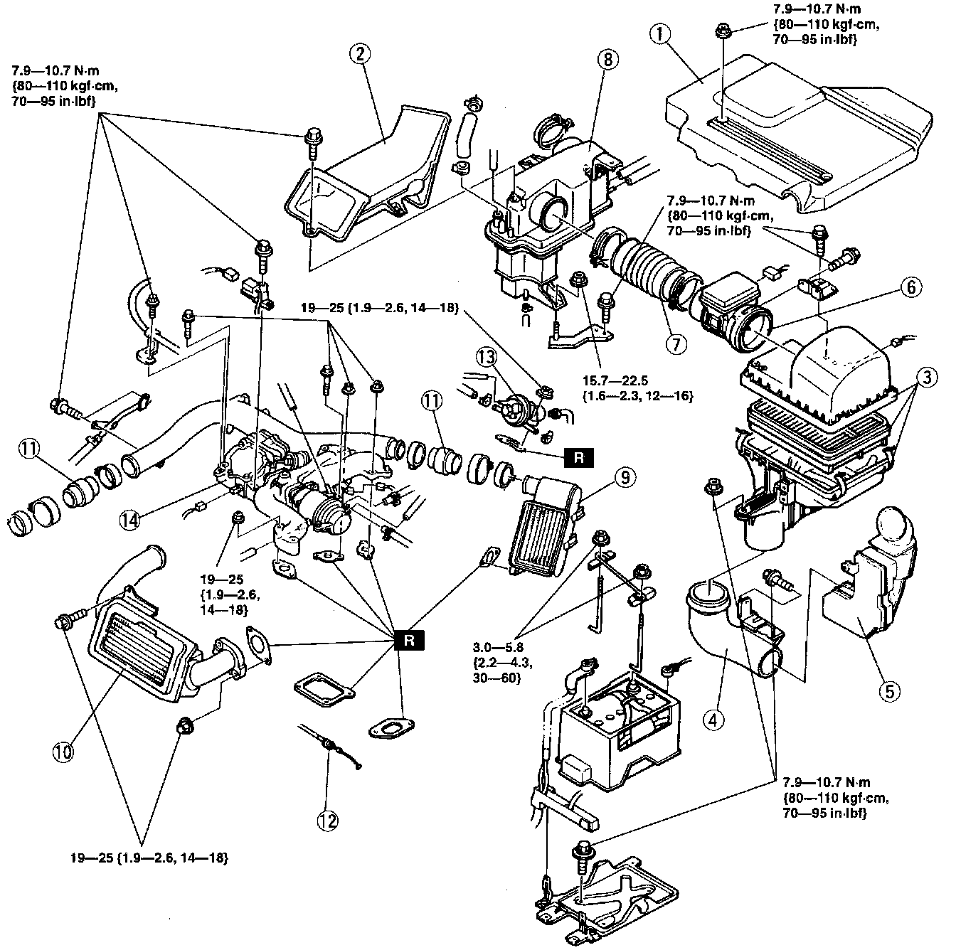
Torque Specifications

Intake:






1. Dynamic Chamber Cover
2. Charge Air Cooler Air Duct
3. Air Cleaner Assembly
4. Air Duct
5. Fresh-Air Duct
6. Mass Air Flow Sensor
7. Air Intake Hose
8. Resonator
9. Charge Air Cooler (RH)
10. Charge Air Cooler (LH)
11. Air Hose
12. Accelerator Cable
13. EGR Valve
14. Air Intake Pipe Assembly







Torque Sequence:






Upper Engine:












Tighten the cylinder head bolts as described.
1) Before installation, measure the length of each bolt. Replace any that exceed the maximum length.

Length:
Standard: 133.7 - 134.3 mm (5.264 - 5.287 inch)
Maximum: 135.0 mm (5.315 inch)


2) Apply clean engine oil to the threads and the seat face of each bolt, and install them.


Torque Sequence (RH Cylinder Head):




Torque Sequence (LH Cylinder Head):






3) Tighten the bolts in two or three steps in the order shown.

Tightening torque:
23.1 - 25.9 Nm (17.0 - 19.1 ft. lbs.)








4) Put a paint mark on each bolt head.
5) Using the marks as a reference, tighten the bolts by turning each 85° - 95° in the sequence shown.
6) Further tighten each bolt by turning another 85° - 95°