Operation CHARM: Car repair manuals for everyone.
Manuals through 2025 now available!

Our trusted friends have launched a new website named LEMON, which has newer manuals. It also contains all the CHARM manuals.

LEMON is the spiritual successor to CHARM, I recommend you try it!

Link: lemon-manuals.la or lemon-manuals.org.ua

(Some people have issue connecting. LEMON is investigating. For now, use Firefox or change your DNS server)

Or, hide this message: temporarily or permanently

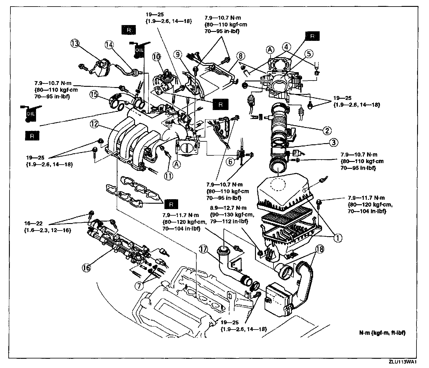
Intake-Air System Removal/Installation

INTAKE-AIR SYSTEM REMOVAL/INSTALLATION

WARNING:
- Fuel vapor is hazardous. It can very easily ignite, causing serious injury and damage. Always keep spark and flames away from fuel.
- Fuel line spills and leakage are dangerous. Fuel can ignite and cause serious injuries or death and damage. Fuel can also irritate skin and eyes. To prevent this, always complete the "Fuel Line Safety Procedures". (See Fuel Delivery and Air Induction/Service and Repair.)
- Hot engines and intake-air system can cause severe burns. Turn off the engine and wait until it and the intake-air system are cool before removing the intake-air system.


1. Disconnect the negative battery cable.
2. Remove in the order indicated.
3. Install in the reverse order of removal.




1. Air cleaner
2. Air intake hose
3. MAF sensor
4. Water hose (See Water Hose Removal Note)
5. Throttle body component
6. Accelerator cable
7. Fuel hose (See Fuel Hose Removal Note)
8. Pipe
9. Harness
10. EGR valve
11. EGR pipe
12. Intake manifold
13. Vacuum chamber
14. Check valve
15. Air intake pipe
16. Fuel distributor component
17. Air duct
18. Fresh-air duct

Water Hose Removal Note
Before disconnecting the water hoses, drain the coolant from radiator. (See ENGINE COOLANT REPLACEMENT.)

Fuel Hose Removal Note
Before disconnecting the water hoses, perform "Fuel Line Safety Procedures". (See Fuel Delivery and Air Induction/Service and Repair.)