Operation CHARM: Car repair manuals for everyone.
Manuals through 2025 now available!

Our trusted friends have launched a new website named LEMON, which has newer manuals. It also contains all the CHARM manuals.

LEMON is the spiritual successor to CHARM, I recommend you try it!

Link: lemon-manuals.la or lemon-manuals.org.ua

(Some people have issue connecting. LEMON is investigating. For now, use Firefox or change your DNS server)

Or, hide this message: temporarily or permanently

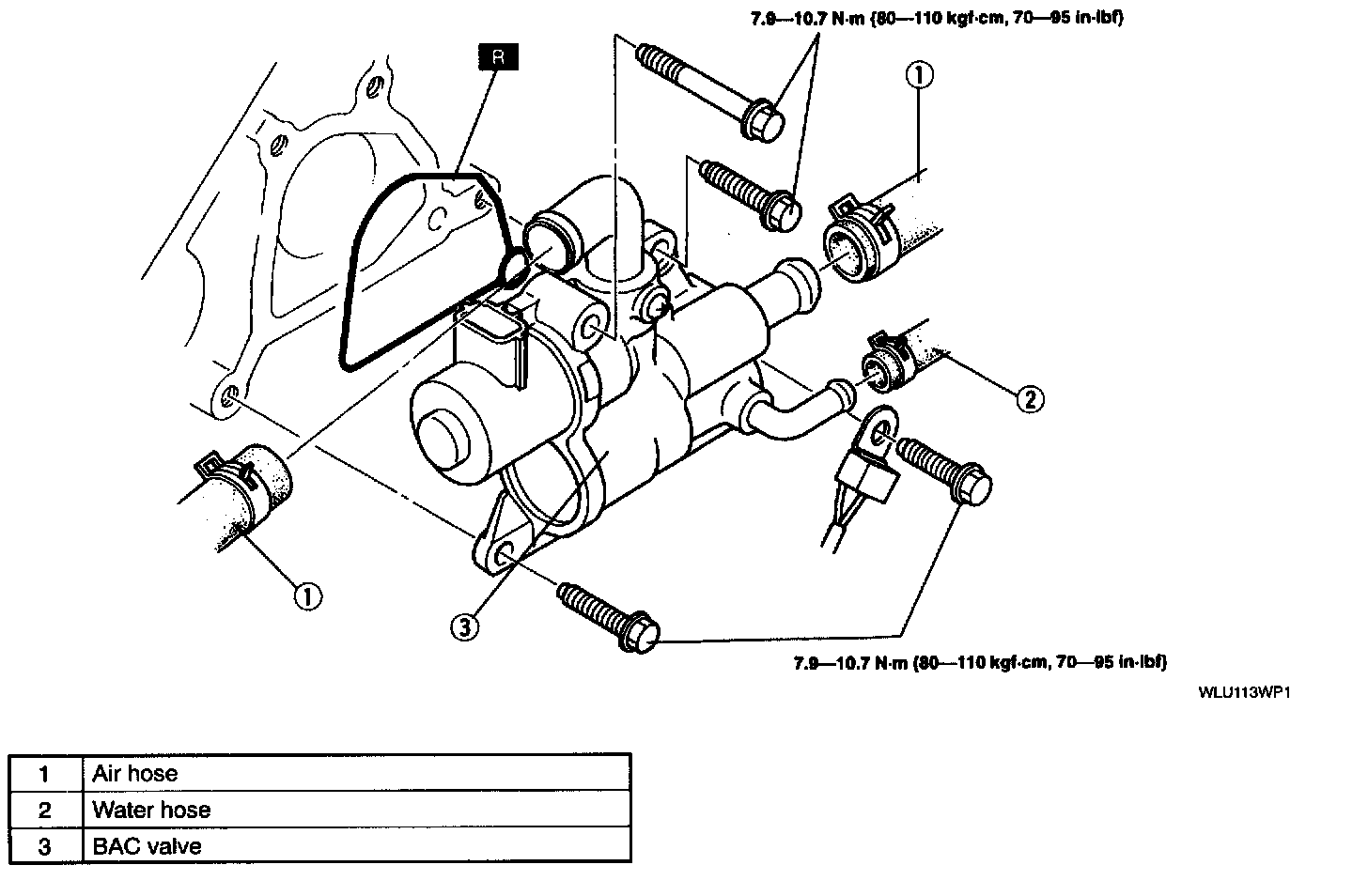
Idle Up Control Valve: Service and Repair

BAC VALVE REMOVAL/INSTALLATION [KJ]
1. Disconnect the negative battery cable.
2. Drain the coolant from the radiator.
3. Remove the CAC air duct.
4. Remove the resonance chamber.
5. Remove in the order indicated in the table.
6. Install in the reverse order of removal.





7. Refill the radiator with the specified engine coolant.