Operation CHARM: Car repair manuals for everyone.
Manuals through 2025 now available!

Our trusted friends have launched a new website named LEMON, which has newer manuals. It also contains all the CHARM manuals.

LEMON is the spiritual successor to CHARM, I recommend you try it!

Link: lemon-manuals.la or lemon-manuals.org.ua

(Some people have issue connecting. LEMON is investigating. For now, use Firefox or change your DNS server)

Or, hide this message: temporarily or permanently

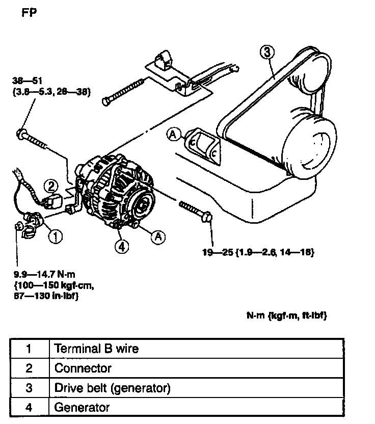
Alternator: Service and Repair

WARNING: When the battery cables are connected, touching the vehicle body with generator terminal B will generate sparks. This can cause personal injury, fire, and damage to the electrical components. Always disconnect the battery before performing the following operation.

1. Disconnect the negative battery cable.

ZM/1.6L:




FP/1.8L:




2. Remove in the order indicated in the table.
3. Install in the reverse order of removal.
4. Inspect the drive belt deflection/tension.