Operation CHARM: Car repair manuals for everyone.
Manuals through 2025 now available!

Our trusted friends have launched a new website named LEMON, which has newer manuals. It also contains all the CHARM manuals.

LEMON is the spiritual successor to CHARM, I recommend you try it!

Link: lemon-manuals.la or lemon-manuals.org.ua

(Some people have issue connecting. LEMON is investigating. For now, use Firefox or change your DNS server)

Or, hide this message: temporarily or permanently

Procedures

ENGINE REMOVAL/INSTALLATION [FP]





Warning:
- Fuel vapor is hazardous. It can very easily ignite, causing serious Injury and damage. Always keep sparks and flames away from fuel.
- Fuel line spills and leakage are dangerous. Fuel can ignite and cause serious injuries or death and damage. Fuel can also irritate skin and eyes. To prevent this, always complete the "Fuel Line Safety Procedures" (Refer to Powertrain Management).


1. Disconnect the negative battery cable.
2. Remove the radiator.
3. Remove the air cleaner.
4. Remove the accelerator cable.
5. Disconnect the fuel hose.
6. Remove the front pipe.
7. Remove the rods, cables and pipes related to the transaxle.
8. Remove the battery.
9. Remove the fuse box.
10. Remove the P/S oil pump with the oil hose still connected. Position the P/S oil pump so that it is out of the way.
11. Remove the A/C compressor with the pipe still connected. Position the A/C compressor so that it is out of the way.
12. Remove the drive shaft.
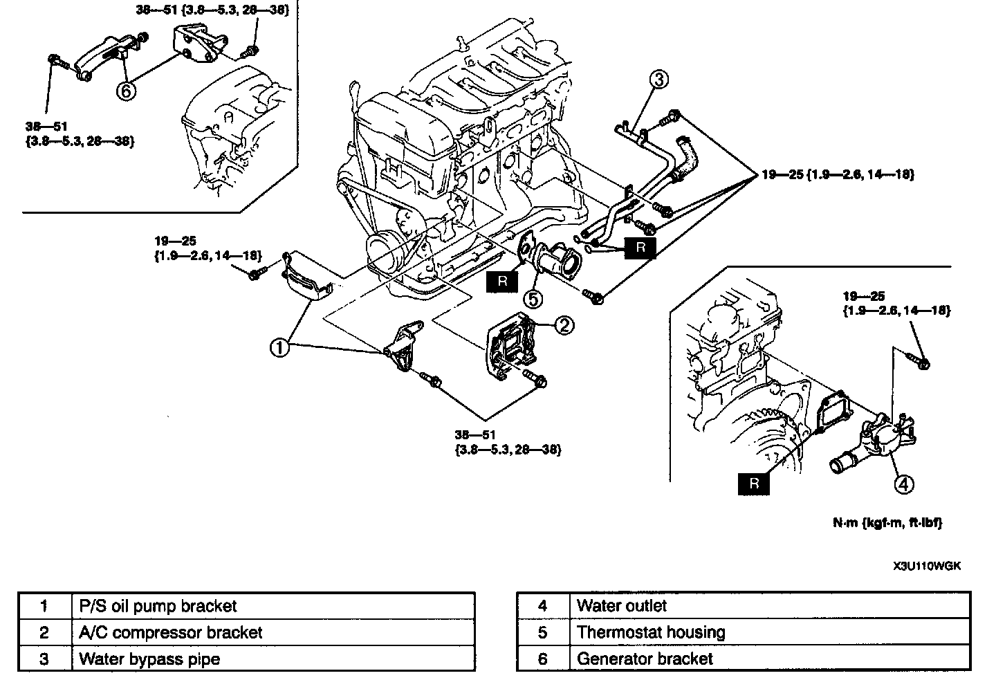
13. Remove in the order indicated in the table.
14. Install in the reverse order of removal.
15. Start the engine and:
1. Inspect for engine oil, engine coolant, transaxle oil, ATF and fuel leakage.
2. Inspect the ignition timing, idle speed and idle mixture.
16. Perform a road test.

Engine Mount Member Removal Note





1. Suspend the engine using the SST

No.3, No.4 Engine Mount Installation Note





1. Hand tighten the No.3 and No.4 engine mount rubber bolts and nuts (A-M).
2. Tighten the No.4 engine mount rubber bolts and nuts (A-G).
3. Tighten the No.3 engine mount rubber bolts and nuts (H-M).
4. Measure the No.4 engine mount rubber clearance.
- If not within the specification, repeat from Step 1.
Standard clearance: 3.0 - 4.0 mm (0.12 - 0.15 inch)

ENGINE DISASSEMBLY/ASSEMBLY [FP]





1. Disconnect the engine and transaxle.
2. Remove the intake-air system.
3. Remove the exhaust system.
4. Remove the oil filter.
5. Remove the thermostat.
6. Remove the ignition coil.
7. Remove the generator.
8. Disassemble in the order indicated in the table in the image.
9. Assemble in the reverse order of disassembly.