Operation CHARM: Car repair manuals for everyone.
Manuals through 2025 now available!

Our trusted friends have launched a new website named LEMON, which has newer manuals. It also contains all the CHARM manuals.

LEMON is the spiritual successor to CHARM, I recommend you try it!

Link: lemon-manuals.la or lemon-manuals.org.ua

(Some people have issue connecting. LEMON is investigating. For now, use Firefox or change your DNS server)

Or, hide this message: temporarily or permanently

Ignition Cable: Service and Repair

REMOVAL

CAUTION:
- Pulling on the wire part of the high-tension lead may break It. To remove the leads, pull only on the plug cap.
- Do not use tools when removing or Installing the high-tension leads. Doing so may scratch or damage the insulation of the leads, which may cause a short circuit.
- Incorrect installation can damage the leads and cause power loss, and negatively affect the electronic components. Make a note of the Installation position and spacing of the high-tension leads before removing them.




1. Disconnect the negative battery cable.
2. Remove the high-tension leads.

INSTALLATION

CAUTION: The high-tension leads must be reinstalled to their original positions. Incorrect installation can damage the leads and cause power loss, and negatively effect the electronic components.







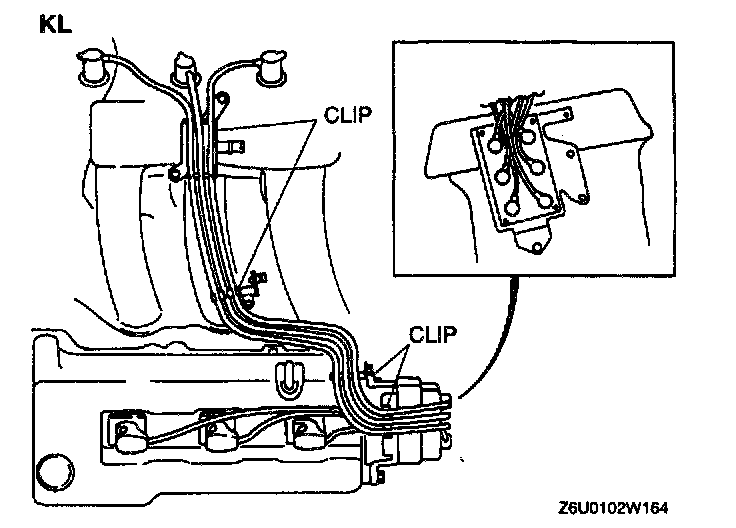
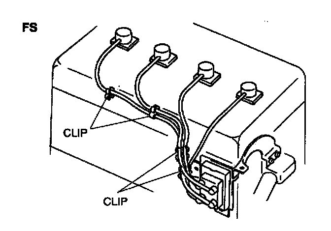
1. Install the high-tension leads as shown.

NOTE: Install the ignition coil high-tension leads in the center of the ignition coil lead holes as shown in the figure. (KL)

2. Make sure the high-tension leads do not interfere with metal parts.

CAUTION: incorrect installation can damage the leads and cause power loss, and negatively affect the electronic components. Make sure the high-tension leads are free of tension when installing the clips to the leads.

3. Install the clip.