Operation CHARM: Car repair manuals for everyone.
Manuals through 2025 now available!

Our trusted friends have launched a new website named LEMON, which has newer manuals. It also contains all the CHARM manuals.

LEMON is the spiritual successor to CHARM, I recommend you try it!

Link: lemon-manuals.la or lemon-manuals.org.ua

(Some people have issue connecting. LEMON is investigating. For now, use Firefox or change your DNS server)

Or, hide this message: temporarily or permanently

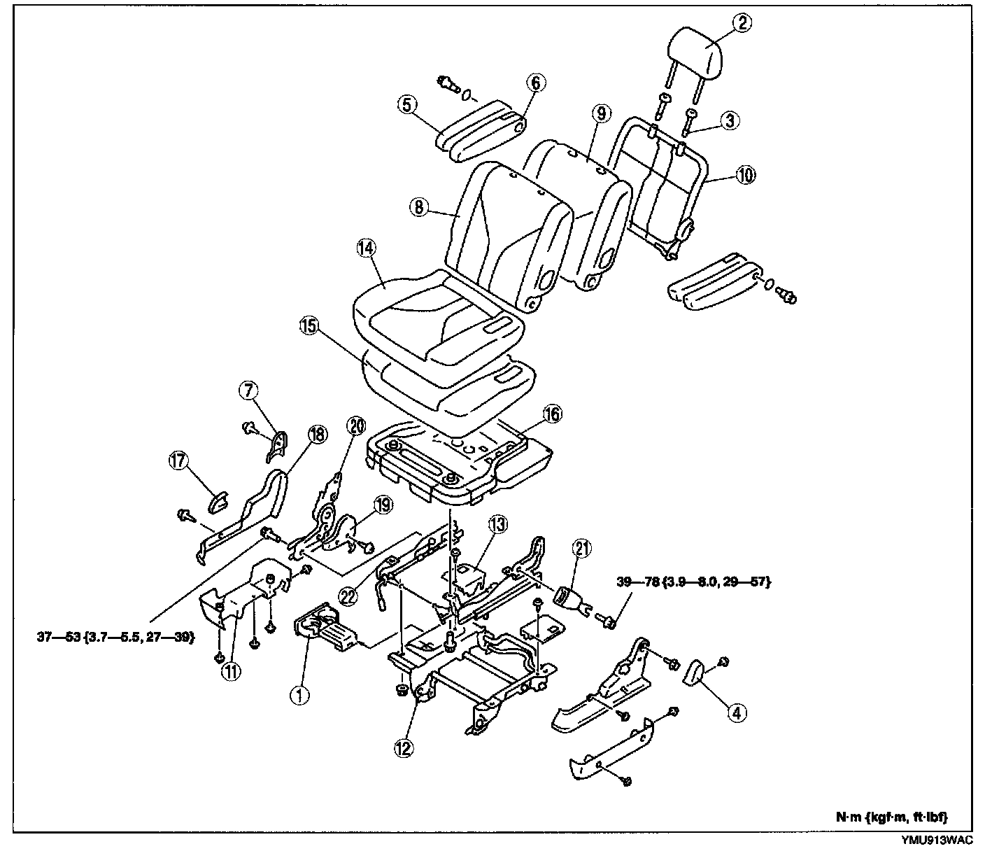
Second-Row Seat




1. Disassemble in the order indicated below.
1. Cup holder (Right side seat only)
2. Headrest
3. Pole guide
4. Side cover No.1
5. Arm rest trim
6. Arm rest pad
7. Knuckle upper cover
8. Seat back trim
9. Seat back pad
10. Seat back frame
11. Seat under bracket side cover
12. Seat under bracket
13. Seat under bracket upper cover
14. Seat cushion trim
15. Seat cushion pad
16. Seat cushion frame
17. Recliner lever
18. Side cover No.2
19. Reverse cover
20. Recliner knuckle
21. Second-row buckle
22. Slide adjuster

2. Assemble in the reverse order of disassembly.