Operation CHARM: Car repair manuals for everyone.
Manuals through 2025 now available!

Our trusted friends have launched a new website named LEMON, which has newer manuals. It also contains all the CHARM manuals.

LEMON is the spiritual successor to CHARM, I recommend you try it!

Link: lemon-manuals.la or lemon-manuals.org.ua

(Some people have issue connecting. LEMON is investigating. For now, use Firefox or change your DNS server)

Or, hide this message: temporarily or permanently

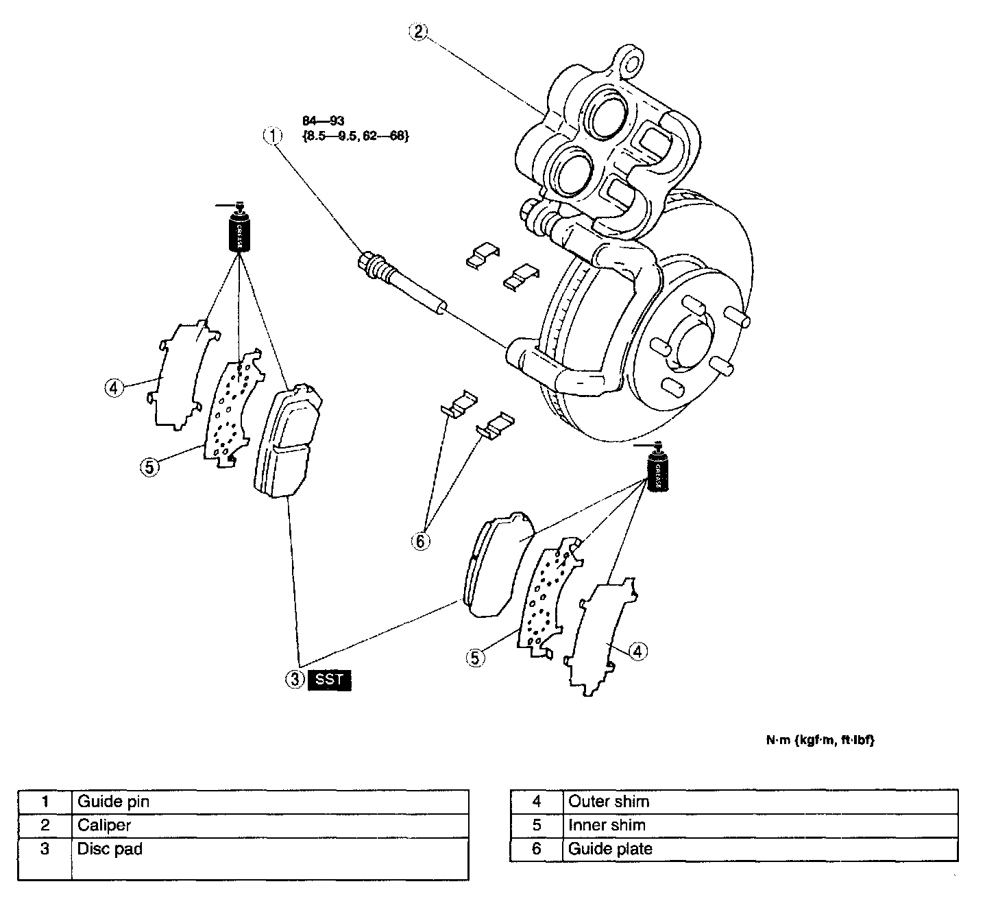
Brake Rotor/Disc: Service and Repair

FRONT BRAKE (DISC) REMOVAL/INSTALLATION





1. Remove in the order indicated in the table.
2. Install in the reverse order of removal.
3. After installation, depress the pedal a few times, rotate the wheel by hand, and verify that the brake does not drag.

Disc Plate Removal Note





1. Mark the wheel hub bolt and disc plate before removal for reference during installation.

Disc Plate Installation Note
1. Remove any rust or grime on the contact face of the disc plate and wheel hub.
2. Install the disc plate and align the marks made before removal.

Disc Pad Installation Note





1. Push the piston fully inward using the SST.
2. Install the disc pad.