Operation CHARM: Car repair manuals for everyone.
Manuals through 2025 now available!

Our trusted friends have launched a new website named LEMON, which has newer manuals. It also contains all the CHARM manuals.

LEMON is the spiritual successor to CHARM, I recommend you try it!

Link: lemon-manuals.la or lemon-manuals.org.ua

(Some people have issue connecting. LEMON is investigating. For now, use Firefox or change your DNS server)

Or, hide this message: temporarily or permanently

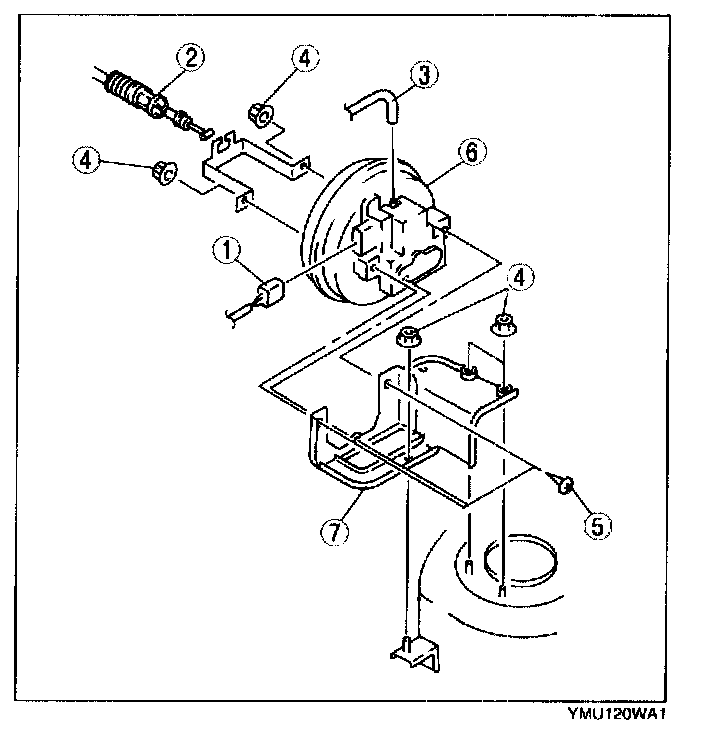
Cruise Control Servo: Service and Repair

CRUISE ACTUATOR REMOVAL/INSTALLATION

1. Disconnect the negative battery cable.




2. Remove in the order indicated below.
1. Connector
2. Actuator cable
3. Vacuum hose
4. Nut
5. Screw
6. Cruise actuator
7. Bracket

3. Install in the reverse order of removal.