Operation CHARM
: Car repair manuals for everyone.
Home
>>
Mazda
>>
2001
>>
MPV ES V6-2.5L DOHC
>>
Repair and Diagnosis
>>
Transmission and Drivetrain
>>
Automatic Transmission/Transaxle
>>
Description and Operation
>>
Electronic Control System
Manuals through 2025 now available!
Our trusted friends have launched a new website named LEMON, which has newer manuals. It also contains all the CHARM manuals.
LEMON is the spiritual successor to CHARM, I recommend you try it!
Link:
lemon-manuals.la
or
lemon-manuals.org.ua
(Some people have issue connecting. LEMON is investigating. For now, use Firefox or change your DNS server)
Or, hide this message:
temporarily
or
permanently
Electronic Control System
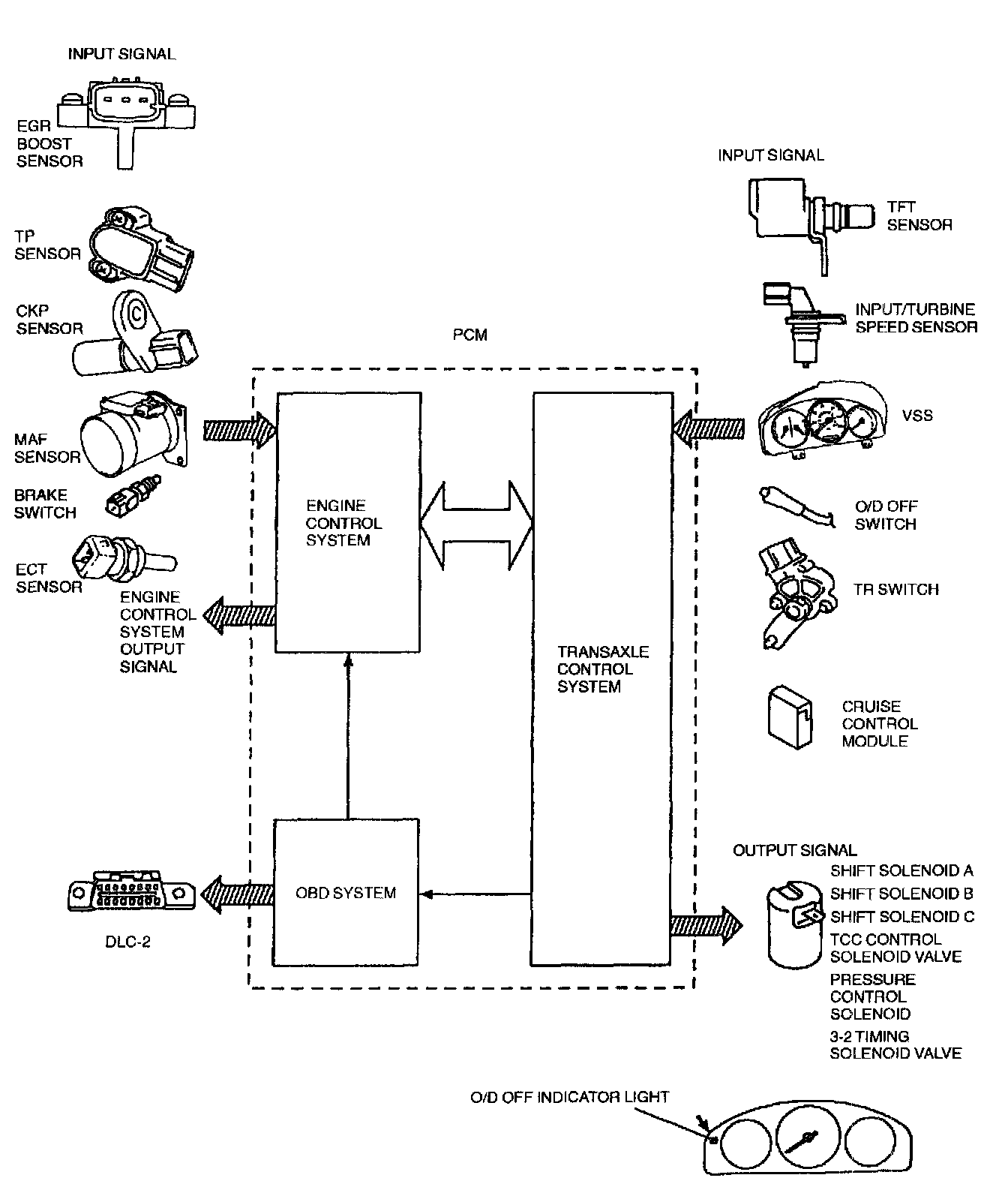
Automatic Transaxle Block Diagram
EC-AT Operation Chart
Electronic Control Item and Control
1 of 2
2 of 2
Component Description [Electronic Control)
Automatic Transaxle Device Relationship Chart
1 of 2
2 of 2