Operation CHARM: Car repair manuals for everyone.
Manuals through 2025 now available!

Our trusted friends have launched a new website named LEMON, which has newer manuals. It also contains all the CHARM manuals.

LEMON is the spiritual successor to CHARM, I recommend you try it!

Link: lemon-manuals.la or lemon-manuals.org.ua

(Some people have issue connecting. LEMON is investigating. For now, use Firefox or change your DNS server)

Or, hide this message: temporarily or permanently

Input Signal System Diagnostic Procedures

Input Signal System Investigation Procedure
1. Find an unusual signal. (See below.)
2. Locate its source. (See below.)
3. Repair or replace the defective part.
4. Confirm that the unusual signal has been erased.

Finding unusual signals
While referring to on-board diagnostic system, PID/DATA Monitor and Record Procedure.
1. Start the engine and idle the vehicle. You can assume that any signals that are out of specifications by a wide margin are unusual.
2. When recreating the problem, any sudden change in monitor input signals that is not consciously created by the driver can be judged as unusual.

Locating the source of unusual signals

CAUTION:
- Compare the NGS monitor voltage with the measurement voltage using the NGS digital measurement system function. If you use another tester, misreadings may occur.
- When measuring voltage, attach the tester GND to the GND of the PCM that is being tested, or to the engine itself. If this is not done, the measured voltage and actual voltage may differ.
- After connecting the pin to a waterproof coupler, confirming continuity and measuring the voltage, inspect the waterproof cord for cracks. If there are any, use sealant to fix them. Failure to do this may result in deterioration of the harness or terminal from water damage, leading to problems with the vehicle.




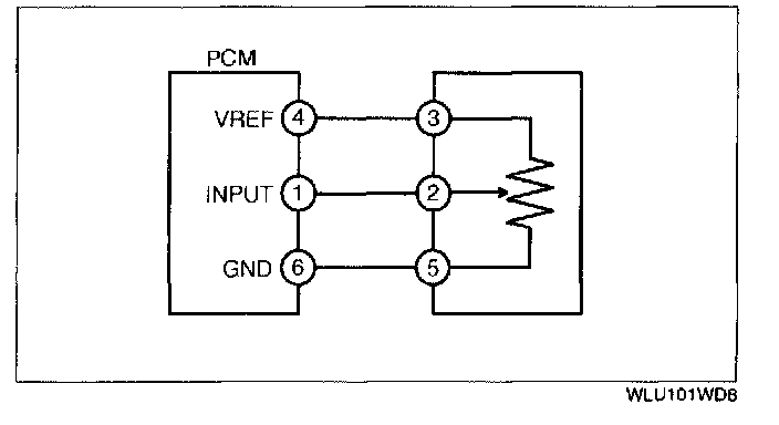
Variable resistance type 1 (TP sensor, boost sensor and EGR position sensor)

Investigate the input signal system
1. When you get an unusual signal, measure the #1 PCM terminal voltage.
- If the #1 terminal voltage and the NGS monitor voltage are the same, proceed to the next step.

- If there is a difference of 0.5 V or more, inspect for the following points concerning the PCM connector.
- Female terminal opening is loose.
- Coupler (pin holder) damage
- Pin discoloration (blackness)
- Harness/pin crimp is loose or disconnected.

2. Measure the #2 sensor terminal voltage.
- If there is a 0.5 V or more difference between the sensor and NGS voltages, inspect the harness for open or short circuits.

- If the sensor and NGS voltages are the same, inspect the following points concerning the sensor connector.
- Female terminal opening is loose.
- Coupler (pin holder) damage
- Pin discoloration (blackness)
- Harness/pin crimp is loose or disconnected.
- If there are no problems, proceed to next investigation below.

Investigate the standard power supply system for variable resistance type 1
1. Confirm that the #3 terminal is at 5 V.
- If the measured voltage on the #3 terminal is 5 V, inspect the following points on the sensor connector.
- Female terminal opening is loose.
- Coupler (pin holder) damage
- Pin discoloration (blackness)
- If there is no problem, proceed to next investigation below.

- If the #3 terminal measures other than 5 V, inspect for the following.
- Open or short circuit in harness.
- Harness/pin crimp is loose or disconnected.

Investigate the GND system for variable resistance type 1
1. Confirm that terminal sensor #5 is at 0 V.
- If it is at 0 V, inspect the sensor.
- If necessary, replace the sensor.
- If not, inspect for the following points:
- Open circuit in harness.
- Female terminal opening is loose.
- Coupler (pin holder) damage
- Pin discoloration (blackness)
- Harness/pin crimp is loose.




Thermistor type (ECT sensor, IAT sensor and transaxle fluid temperature sensor)

Investigate the input signal system for thermistor type
1. When you get an unusual signal, measure the #1 PCM terminal voltage.
- If the #1 terminal voltage and the NGS monitor voltage are the same, proceed to the next step.

- If there is a difference of 0.5 V or more, inspect the following points concerning the PCM connector.
- Female terminal opening is loose.
- Coupler (pin holder) damage
- Pin discoloration (blackness)
- Harness/pin crimp is loose or disconnected.

2. When you get an unusual signal, measure the #2 sensor terminal voltage.
- If there is a 0.5 V or more difference between the sensor and NGS voltages, inspect the harness for open or short circuits.

- If the sensor and NGS voltages are the same, inspect the following points concerning the sensor connector.
- Female terminal opening is loose.
- Coupler (pin holder) damage
- Pin discoloration (blackness)
- Harness/pin crimp is loose or disconnected.

- If there are no problems, proceed to next investigation below.

Investigate the GND system for thermistor type
1. Confirm that sensor #3 is at 0 V.
- If it is at 0 V, inspect the sensor.
- If necessary, replace the sensor.

- If it is not, inspect for the following.
- Open circuit in harness.
- Female terminal opening is loose.
- Coupler (pin holder) damage
- Pin discoloration (blackness)
- Harness/pin crimp is loose or disconnected.




Variable resistance type 2

Investigate the input signal system for variable resistance type 2
1. When you get an unusual signal, measure the #1 PCM terminal voltage.
- If the #1 terminal voltage and the NGS monitor voltage are the same, proceed to the next step.

- If there is a difference of 0.5 V or more, inspect the following points concerning the PCM connector.
- Female terminal opening is loose.
- Coupler (pin holder) damage
- Pin discoloration (blackness)
- Harness/pin crimp is loose or disconnected.

2. When you get an unusual signal, measure the #2 sensor terminal voltage.
- If there is a 0.5 V or more difference between the sensor and NGS voltages, inspect the harness for open or short circuits.

- If the sensor and NGS voltages are the same, inspect the following points concerning the sensor connector.
- Female terminal opening is loose.
- Coupler (pin holder) damage
- Pin discoloration (blackness)
- Harness/pin crimp is loose or disconnected.

- If there are no problems, proceed to next investigation below.

Investigate the electrical supply system for variable resistance type 1
1. Confirm that the sensor #3 terminal is B+.
- If the measured voltage on the #3 terminal is B+, inspect the following points on the sensor connector.
- Female terminal opening is loose.
- Coupler (pin holder) damage
- Pin discoloration (blackness)
- If there are no problems, proceed to next investigation below.

- If the #3 terminal measures other than B+, inspect for the following.
- Short or open circuit in harness
- Harness/pin crimps is loose or disconnected.

Investigate the GND system for variable resistance type 2
1. Confirm that terminal sensor #4 is at 0 V.
- If it is at 0 V, inspect the sensor.
- If necessary, replace the sensor

- If not, inspect for the following.
- Harness disconnection.
- Female terminal opening is loose.
- Coupler (pin holder) damage
- Pin discoloration (blackness)
- Harness/pin crimp is loose or disconnected.




Switch Type(Closed Throttle Position, Transaxle range and Hold Switch)
1. Measure the PCM #1 terminal voltage and confirm that it is 0 V when the switch is on and B+ when the switch is off.
- If the #1 terminal voltage and the NGS monitor voltage are the same, proceed to the next step.

- If there is a difference of 0.5 V or more, inspect for the following points concerning the PCM connector:
- Female terminal opening is loose.
- Coupler (pin holder) damage
- Pin discoloration (blackness)
- Harness/pin crimp is loose or disconnected.

2. When the switch is off, measure the #2 sensor terminal voltage.
- If there is a 0.5 V or more difference between the sensor and NGS voltages, inspect the harness for open or short circuits.

- If the sensor and NGS voltages are the same, inspect the following points concerning the sensor connector.
- Female terminal opening is loose.
- Coupler (pin holder) damage
- Pin discoloration (blackness)
- Harness/pin crimp is loose or disconnected.
- If there are no problems, proceed to the next step.

3. Confirm that the #3 terminal switch voltage is at 0 V.
- If it is at 0 V, inspect the switch.
- If necessary, replace the switch.

- If not, inspect for the following points relating to the switch connector:
- Open circuit in harness
- Female terminal opening is loose.
- Coupler (pin holder) damage
- Pin discoloration (blackness)
- Harness/pin crimp is loose or disconnected.