Operation CHARM: Car repair manuals for everyone.
Manuals through 2025 now available!

Our trusted friends have launched a new website named LEMON, which has newer manuals. It also contains all the CHARM manuals.

LEMON is the spiritual successor to CHARM, I recommend you try it!

Link: lemon-manuals.la or lemon-manuals.org.ua

(Some people have issue connecting. LEMON is investigating. For now, use Firefox or change your DNS server)

Or, hide this message: temporarily or permanently

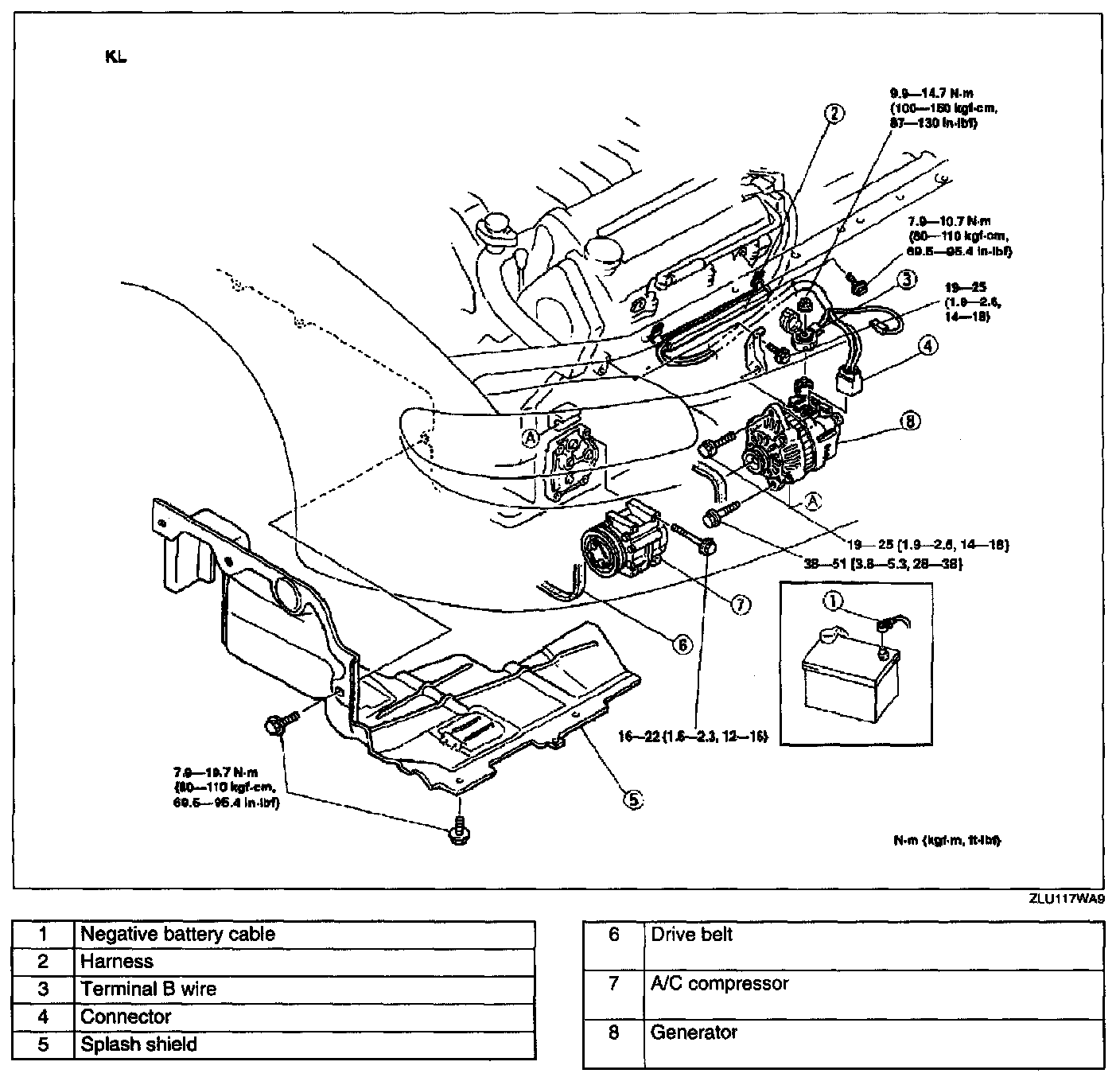
Generator Removal/Installation

1. Remove the charge air cooler.

KL:




KJ:




2. Remove in the order indicated in the table.
3. Install in the reverse order of removal.

CAUTION:
- Reversing the battery connections or using high-voltage testers will damage the rectifier.
- Do not start the engine while the connector is disconnected from terminals L and S. It can damage the generator.
- Disconnecting generator terminal B before disconnecting the negative battery cable can damage the generator harness and connector.

NOTE: Battery positive voltage is always present at generator terminal B while the battery cable is connected.

A/C Compressor Removal Note
With the pipe still connected, position the A/C compressor away from the generator for easy access to the generator.

Generator Removal Note
Remove the generator from under the vehicle.