Operation CHARM: Car repair manuals for everyone.
Manuals through 2025 now available!

Our trusted friends have launched a new website named LEMON, which has newer manuals. It also contains all the CHARM manuals.

LEMON is the spiritual successor to CHARM, I recommend you try it!

Link: lemon-manuals.la or lemon-manuals.org.ua

(Some people have issue connecting. LEMON is investigating. For now, use Firefox or change your DNS server)

Or, hide this message: temporarily or permanently

Engine Control Module: Locations

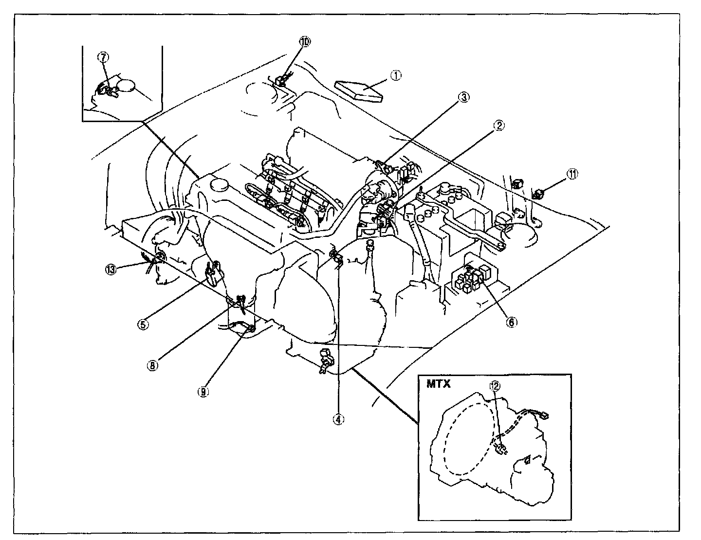
Control System Component Location Index (Engine Compartment Side):




Engine Compartment Side
1. PCM
2. Mass air flow (MAF)/Intake air temperature (IAT) sensor
3. Throttle position (TP) sensor
4. Engine coolant temperature (ECT) sensor
5. Crankshaft position (CKP) sensor
6. Main relay
7. Camshaft position (CMP) sensor
8. Heated oxygen sensor (front)
9. Heated oxygen sensor (rear)
10. EGR boost sensor
11. Clutch switch
12. Neutral switch
13. Power steering pressure (PSP) switch