Operation CHARM: Car repair manuals for everyone.
Manuals through 2025 now available!

Our trusted friends have launched a new website named LEMON, which has newer manuals. It also contains all the CHARM manuals.

LEMON is the spiritual successor to CHARM, I recommend you try it!

Link: lemon-manuals.la or lemon-manuals.org.ua

(Some people have issue connecting. LEMON is investigating. For now, use Firefox or change your DNS server)

Or, hide this message: temporarily or permanently

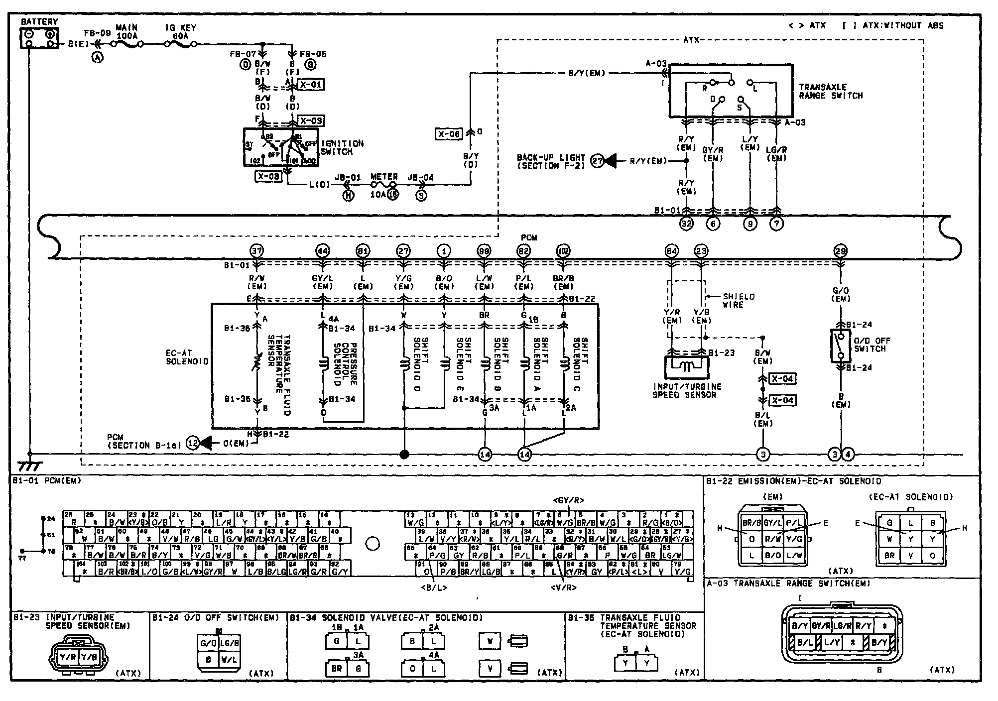
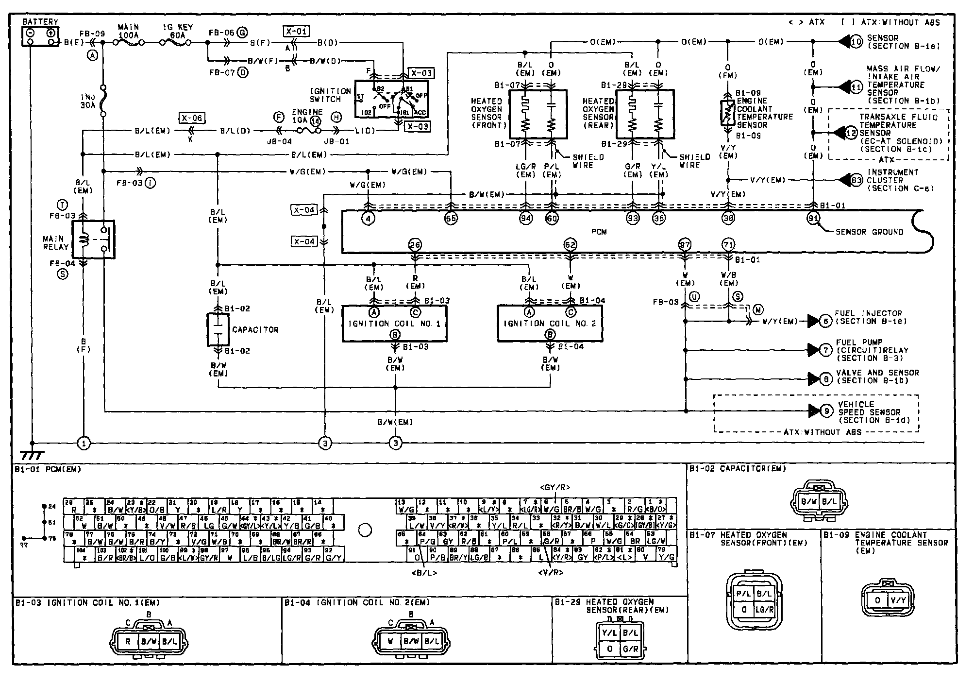
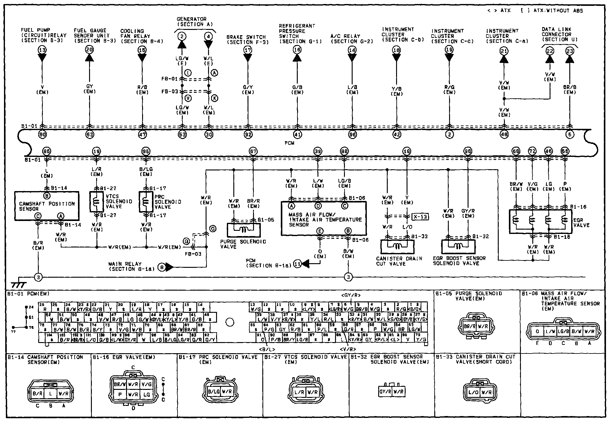
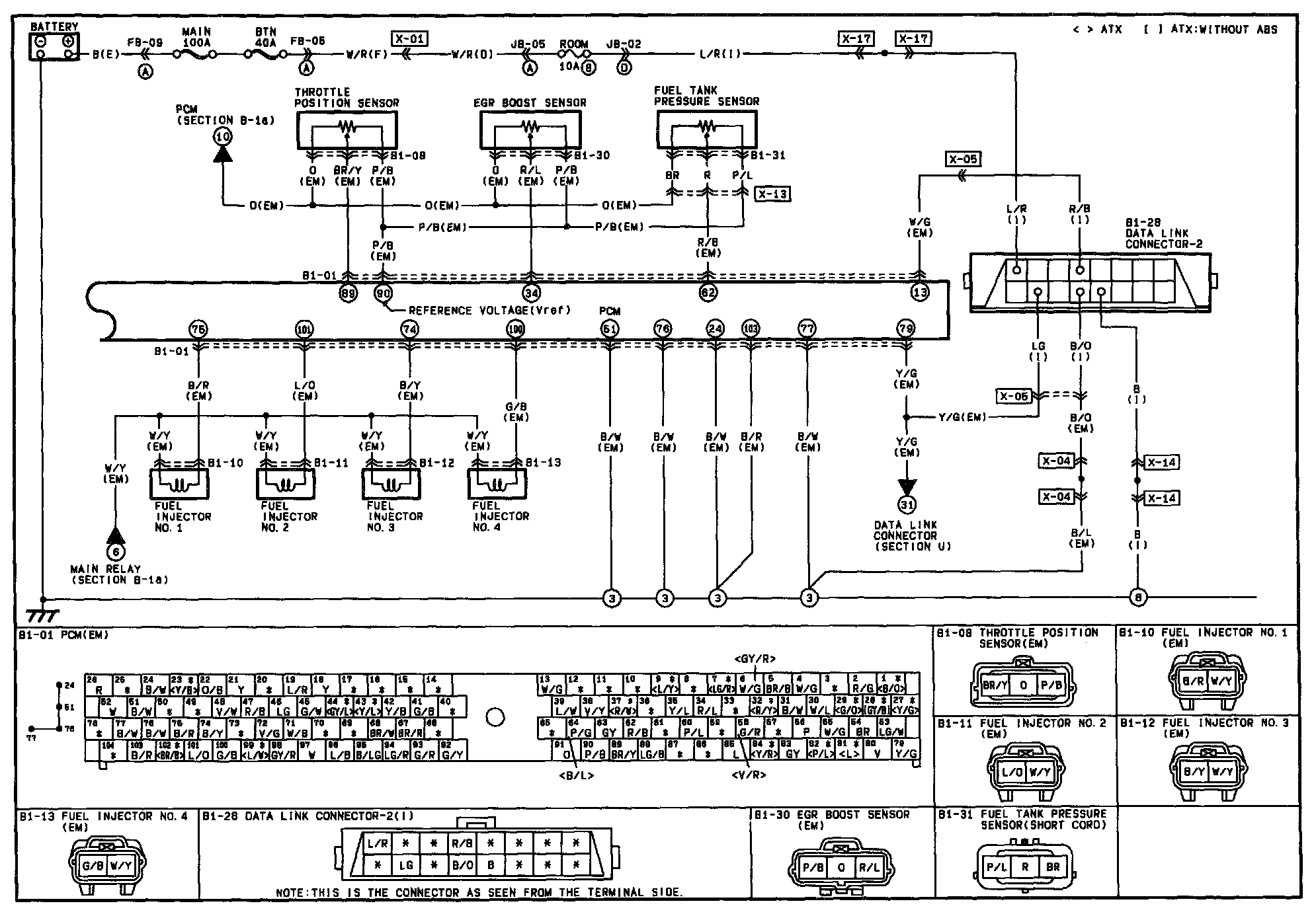
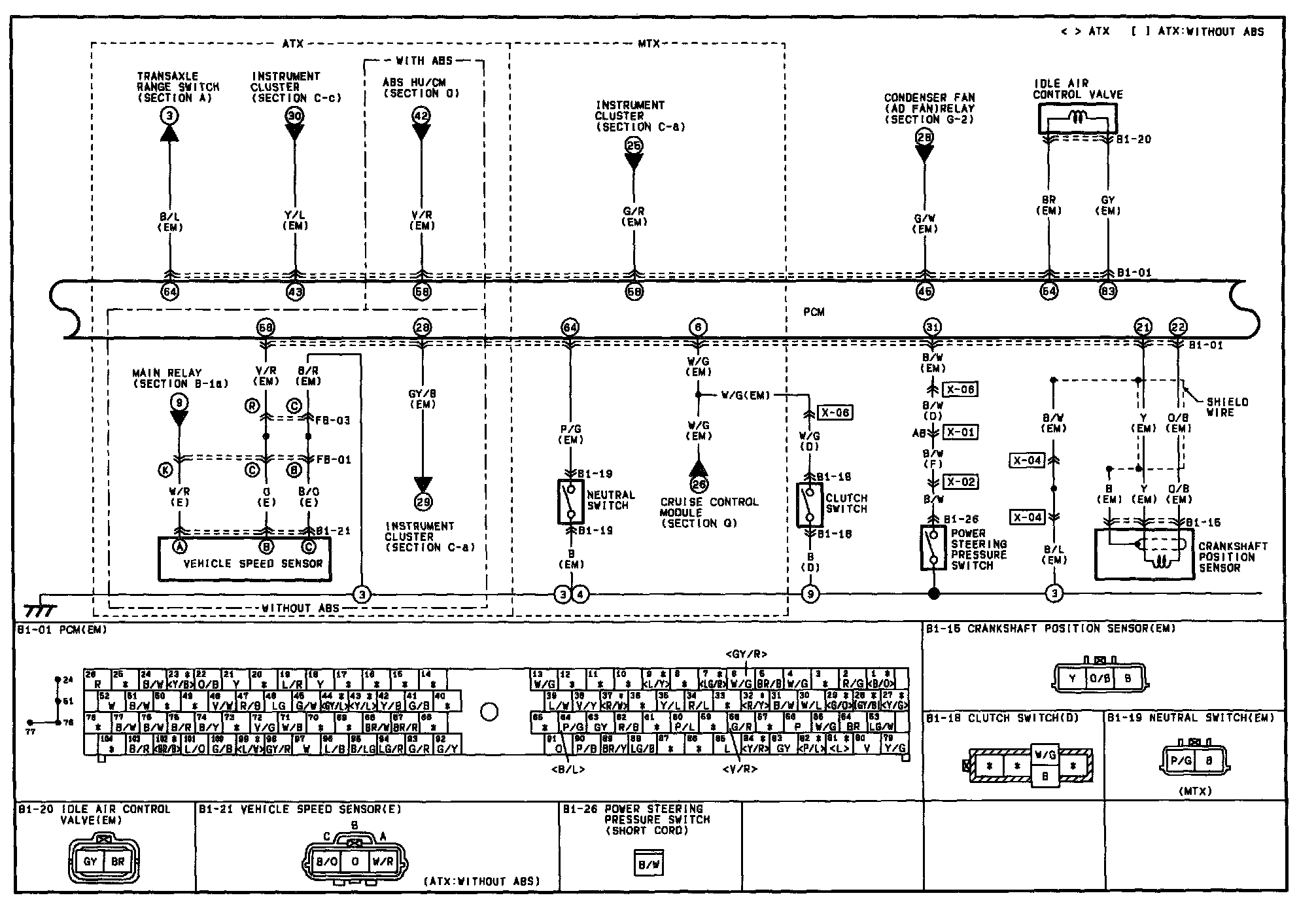
EC-AT Control System

B-1a - EC-AT Control System (ZM)/Engine System Circuit (ZM):




B-1b - EC-AT Control System (ZM)/Engine Control System Circuit (ZM):




B-1c - EC-AT Control System (ZM)/Engine Control System Circuit (ZM):




B-1d - EC-AT Control System (ZM)/Engine Control System Circuit (ZM):




B-1e - EC-AT Control System (ZM)/Engine Control System Circuit (ZM):




Wiring Diagrams


NOTE: To view other sections referred to in these diagrams, see Complete Body and Chassis Diagrams by Section (A Thru Z) Electrical Diagrams