Operation CHARM: Car repair manuals for everyone.
Manuals through 2025 now available!

Our trusted friends have launched a new website named LEMON, which has newer manuals. It also contains all the CHARM manuals.

LEMON is the spiritual successor to CHARM, I recommend you try it!

Link: lemon-manuals.la or lemon-manuals.org.ua

(Some people have issue connecting. LEMON is investigating. For now, use Firefox or change your DNS server)

Or, hide this message: temporarily or permanently

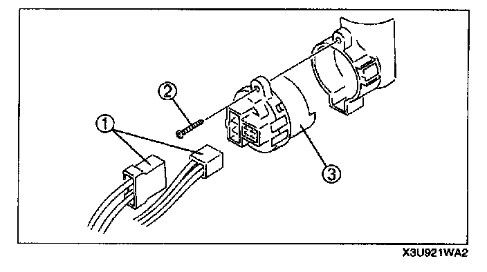
Ignition Switch: Service and Repair

REMOVAL/INSTALLATION

1. Disconnect the negative battery cable.
2. Remove the column cover.




3. Remove in the order indicated below.
1. Connector
2. Screw
3. Ignition switch

4. Install in the reverse order of removal.