Operation CHARM: Car repair manuals for everyone.
Manuals through 2025 now available!

Our trusted friends have launched a new website named LEMON, which has newer manuals. It also contains all the CHARM manuals.

LEMON is the spiritual successor to CHARM, I recommend you try it!

Link: lemon-manuals.la or lemon-manuals.org.ua

(Some people have issue connecting. LEMON is investigating. For now, use Firefox or change your DNS server)

Or, hide this message: temporarily or permanently

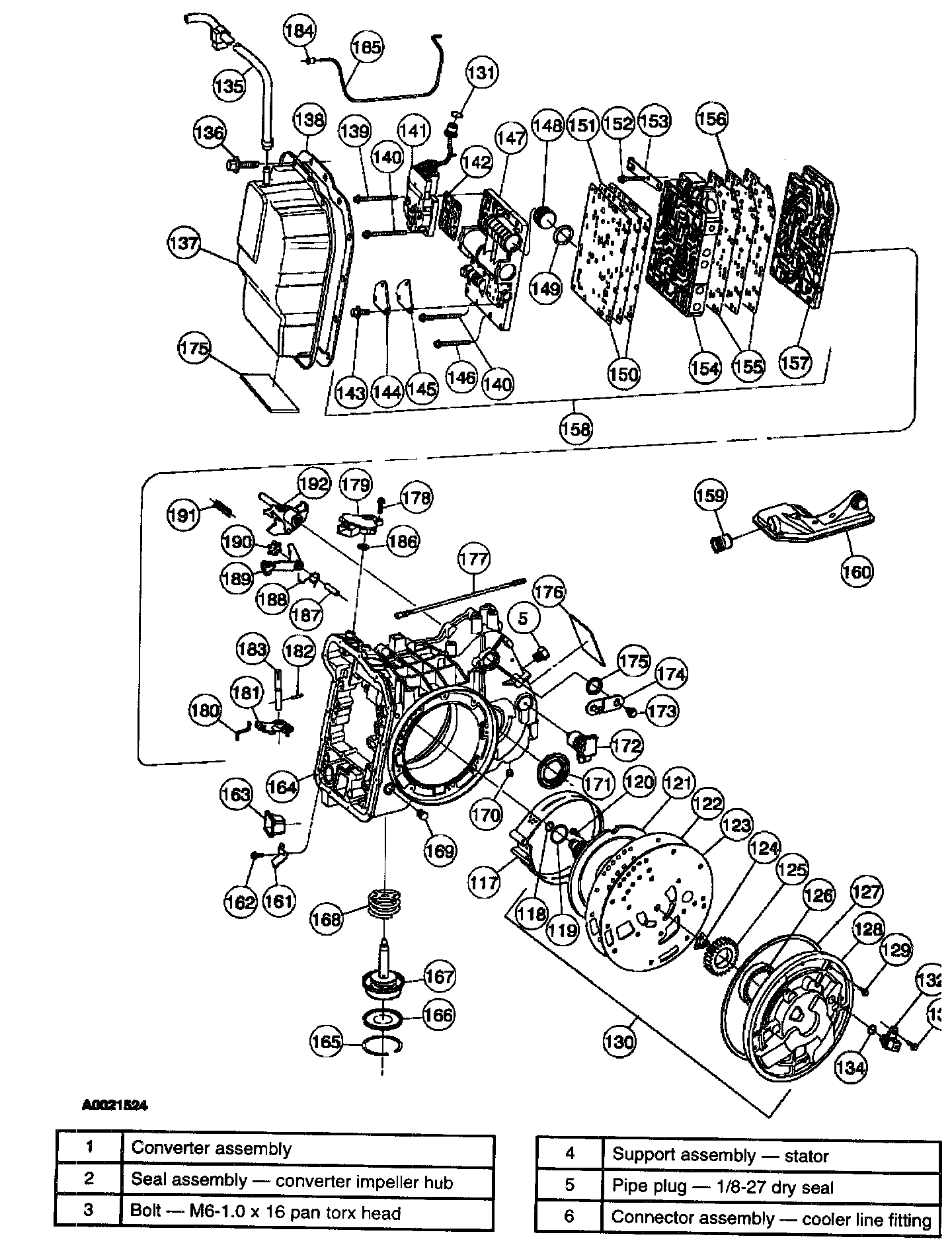
Automatic Transmission/Transaxle

DISASSEMBLED VIEWS





Exploded view #1 - 68





Exploded view #69 - 116





Exploded view #117 - 192/Legend ID 1 - 6





Legend ID 7 - 40





Legend ID 41 - 67





Legend ID 68 - 101





Legend ID 102 - 135





Legend ID 136 - 166





Legend ID 167 - 192