Operation CHARM: Car repair manuals for everyone.
Manuals through 2025 now available!

Our trusted friends have launched a new website named LEMON, which has newer manuals. It also contains all the CHARM manuals.

LEMON is the spiritual successor to CHARM, I recommend you try it!

Link: lemon-manuals.la or lemon-manuals.org.ua

(Some people have issue connecting. LEMON is investigating. For now, use Firefox or change your DNS server)

Or, hide this message: temporarily or permanently

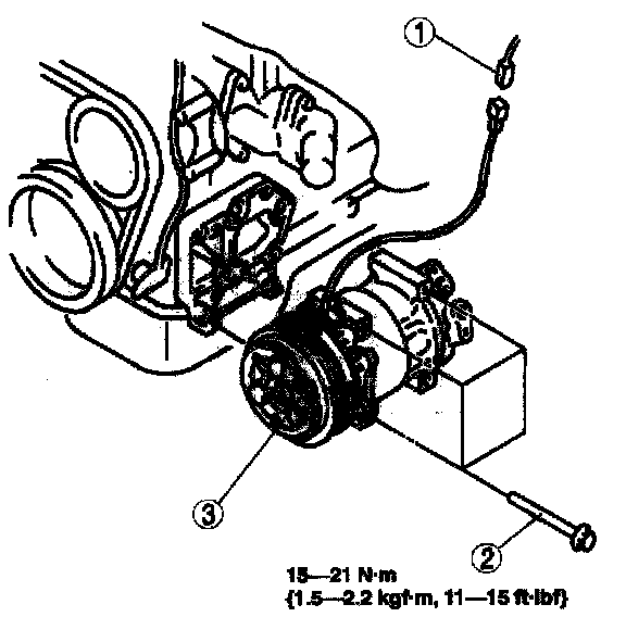
Compressor HVAC: Service and Repair

A/C COMPRESSOR REMOVAL/INSTALLATION

1. Evacuate the refrigerant from the system.
2. Disconnect the negative battery cable.
3. Remove the under cover.
4. Remove the drive belt.

CAUTION: If moisture or foreign material enters the refrigeration cycle, cooling ability will be lowered and abnormal noise will occur. Always immediately plug all open fittings after removing any refrigeration cycle parts to keep moisture or foreign material out of the cycle.

5. Disconnect the cooler hoses (HI) and (LO). (See REFRIGERANT LINES REMOVAL/INSTALLATION.)




6. Remove in the order indicated below. Do not allow compressor oil to spill.
1. Connector
2. Bolt
3. A/C compressor (See A/C Compressor Installation Note)

7. Install in the reverse order of removal.
8. Adjust the drive belt. (See DRIVE BELT ADJUSTMENT.
9. Recharge with refrigerant. (See REFRIGERANT CHARGING.) (See REFRIGERANT RECOVERY)
10. Perform the refrigerant system performance test. (See REFRIGERANT SYSTEM PERFORMANCE TEST.)

A/C Compressor Installation Note
Remove the following amount of SP-20 compressor oil from the new A/C compressor when replacing the A/C compressor.

Compressor oil to be removed (approximate quantity)
240 ml {240 cc, 8.11 fl oz} - [compressor oil from old A/C compressor + 15 ml {15 cc, 0.5 fl oz}]