Operation CHARM: Car repair manuals for everyone.
Manuals through 2025 now available!

Our trusted friends have launched a new website named LEMON, which has newer manuals. It also contains all the CHARM manuals.

LEMON is the spiritual successor to CHARM, I recommend you try it!

Link: lemon-manuals.la or lemon-manuals.org.ua

(Some people have issue connecting. LEMON is investigating. For now, use Firefox or change your DNS server)

Or, hide this message: temporarily or permanently

Third-Row Seat

THIRD-ROW SEAT REMOVAL/INSTALLATION

Seat




1. Stow the third-row seat.
2. Remove the bolts and then remove the third-row seat.
3. Install in the reverse order of removal.

Hinge




1. Remove the third-row seat.
2. Remove the rear side trim.
3. Remove the third-row seat belt lower anchor.
4. Remove in the order indicated below.
1. Hinge cover
2. Hinge

5. Install in the reverse order of removal.

Striker




1. Remove the rear side trim.
2. Remove the nuts and then remove the striker.
3. Install in the reverse order of removal.

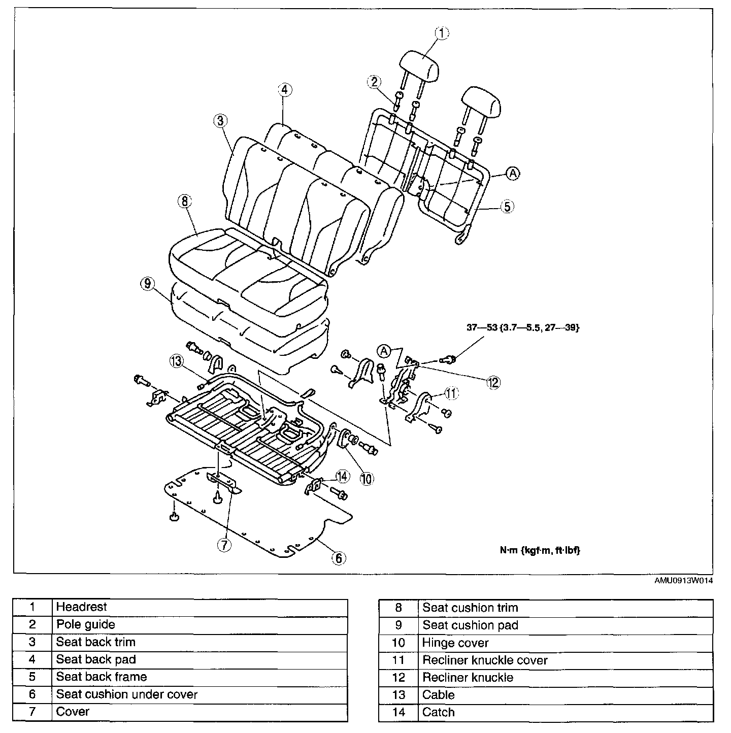
THIRD-ROW SEAT DISASSEMBLY/ASSEMBLY




1. Disassemble in the order indicated in the table.
2. Assemble in the reverse order of disassembly.