Operation CHARM: Car repair manuals for everyone.
Manuals through 2025 now available!

Our trusted friends have launched a new website named LEMON, which has newer manuals. It also contains all the CHARM manuals.

LEMON is the spiritual successor to CHARM, I recommend you try it!

Link: lemon-manuals.la or lemon-manuals.org.ua

(Some people have issue connecting. LEMON is investigating. For now, use Firefox or change your DNS server)

Or, hide this message: temporarily or permanently

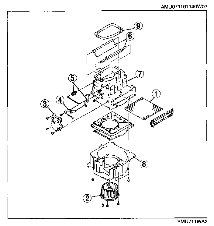
Blower Unit

BLOWER UNIT REMOVAL/INSTALLATION

1. Disconnect the negative battery cable.
2. Remove the dashboard.




3. Remove in the order indicated below.
1. Air duct
2. Blower unit

4. Install in the reverse order of removal.

BLOWER UNIT DISASSEMBLY/ASSEMBLY




1. Disassemble in the order indicated below.
1. Air filter
2. Blower motor
3. Air intake actuator
4. Air intake link
5. Air intake crank
6. Air intake door
7. Blower case (1)
8. Blower case (2)
9. Polyurethane protector

2. Assemble in the reverse order of disassembly.