Operation CHARM: Car repair manuals for everyone.
Manuals through 2025 now available!

Our trusted friends have launched a new website named LEMON, which has newer manuals. It also contains all the CHARM manuals.

LEMON is the spiritual successor to CHARM, I recommend you try it!

Link: lemon-manuals.la or lemon-manuals.org.ua

(Some people have issue connecting. LEMON is investigating. For now, use Firefox or change your DNS server)

Or, hide this message: temporarily or permanently

Front Climate Control Unit

FRONT CLIMATE CONTROL UNIT REMOVAL




1. Disconnect the negative battery cable.
2. Disconnect the air mix and airflow mode wires from each wire clamp and link.
3. Remove the meter hood.
4. After removing the screws pull the front climate control unit out and disconnect the connectors.
5. Remove the front climate control unit.

FRONT CLIMATE CONTROL UNIT INSTALLATION




1. Install the front climate control unit to the center panel.
2. Pass each wire through the following routes then connect to front A/C unit.
3. Connect the front climate control unit connectors.
4. Install the meter hood.
5. Adjust the front climate control unit wire. (See FRONT CLIMATE CONTROL UNIT WIRE ADJUSTMENT.)
6. Connect the negative battery cable.

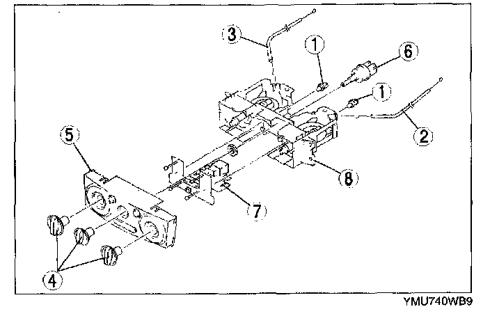
FRONT CLIMATE CONTROL UNIT DISASSEMBLY/ASSEMBLY




1. Disassemble in the order indicated below.
1. Illumination bulb
2. Airflow mode wire
(See Wire Disassembly Note)
3. Air mix wire
(See Wire Disassembly Note)
4. Dial
5. Panel
6. Fan switch
7. A/C amplifier
8. Body

2. Assemble in the reverse order of disassembly.

Wire Disassembly Note




1. Disassemble the wires in the order shown.