Operation CHARM: Car repair manuals for everyone.
Manuals through 2025 now available!

Our trusted friends have launched a new website named LEMON, which has newer manuals. It also contains all the CHARM manuals.

LEMON is the spiritual successor to CHARM, I recommend you try it!

Link: lemon-manuals.la or lemon-manuals.org.ua

(Some people have issue connecting. LEMON is investigating. For now, use Firefox or change your DNS server)

Or, hide this message: temporarily or permanently

Electrical Diagrams

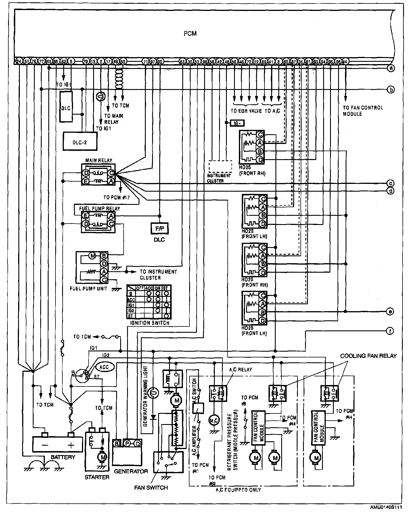
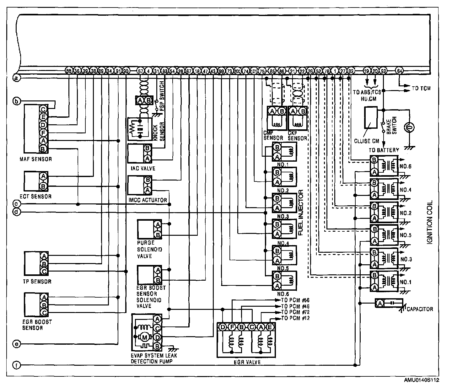
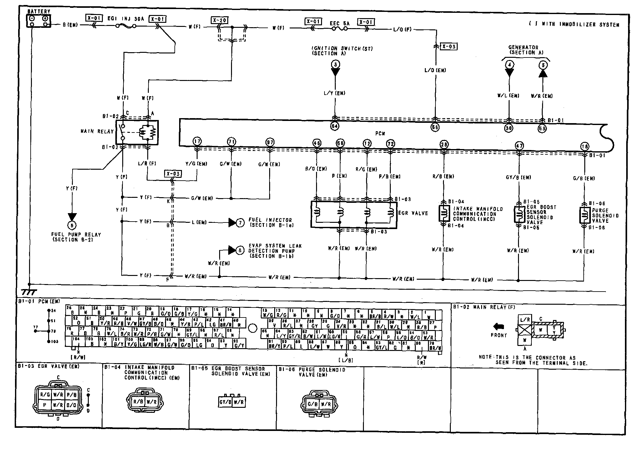
B-1a - Engine Control System Circuit:





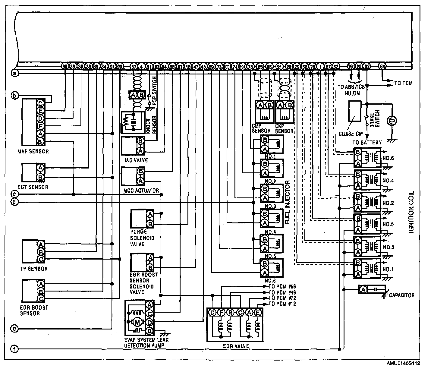
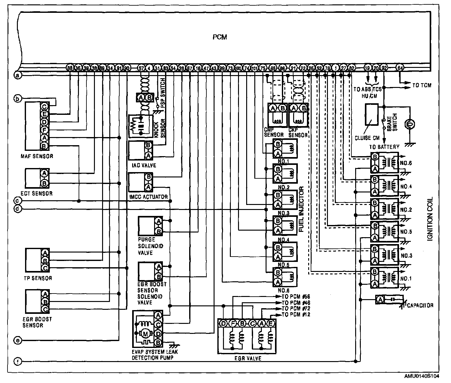
B-1b - Engine Control System Circuit:





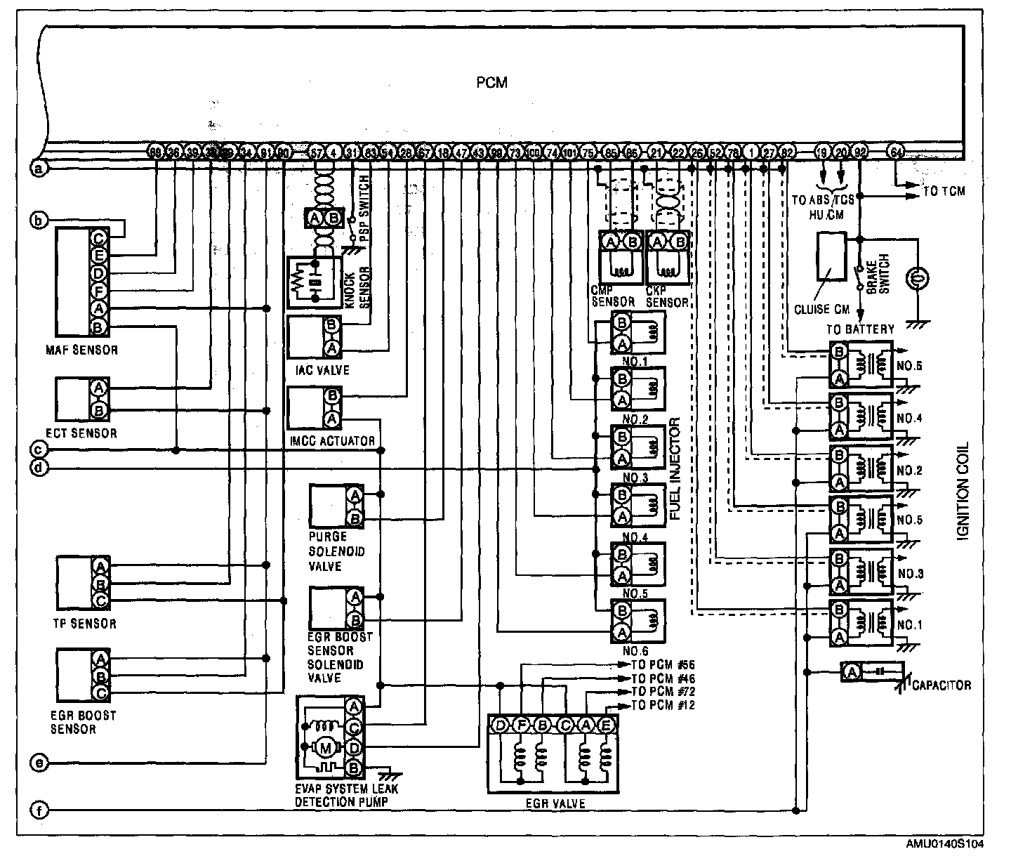
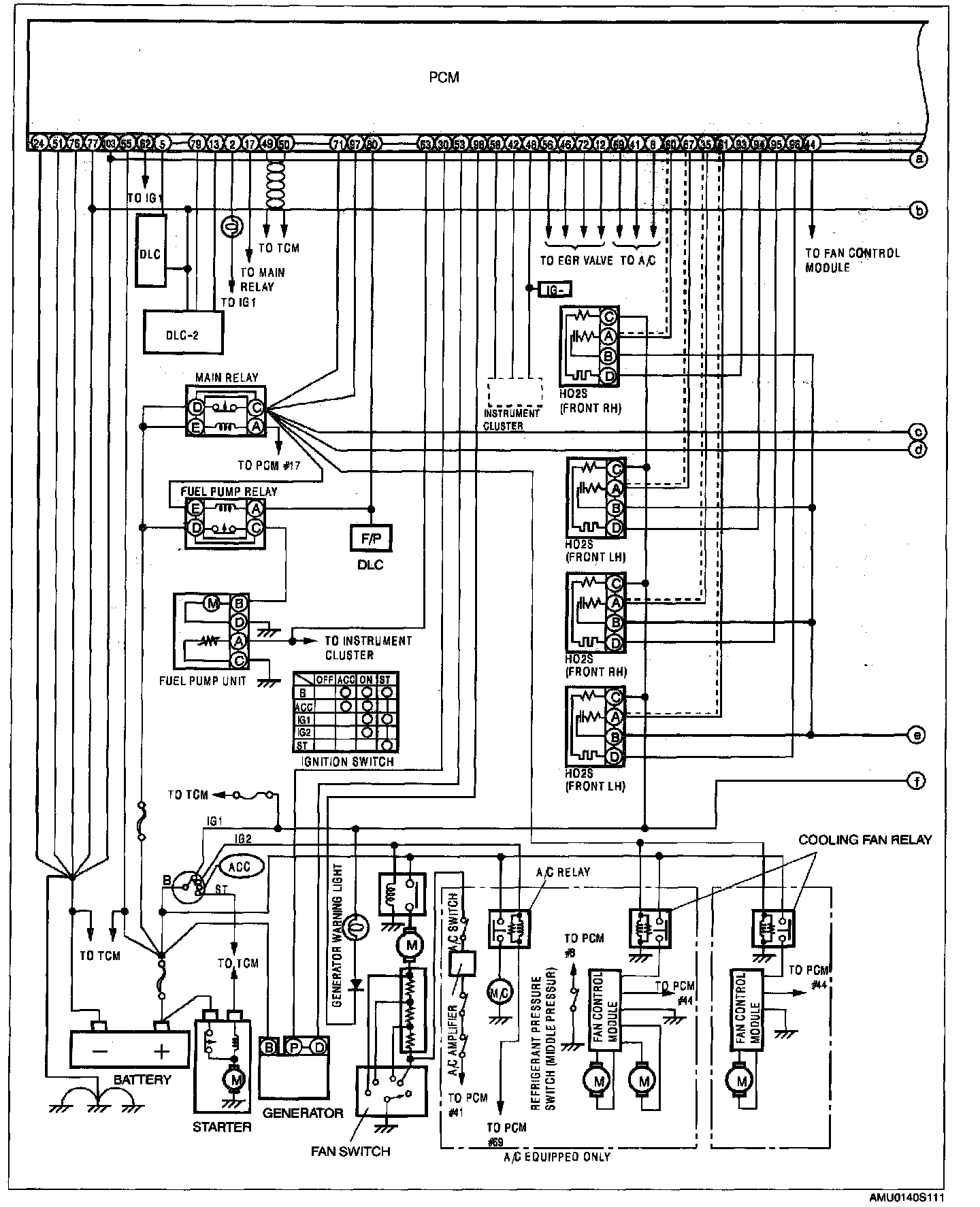
B-1c - Engine Control System Circuit:





B-1d - Engine Control System Circuit:





B-1e - Engine Control System Circuit:





B-1f - Engine Control System Circuit:






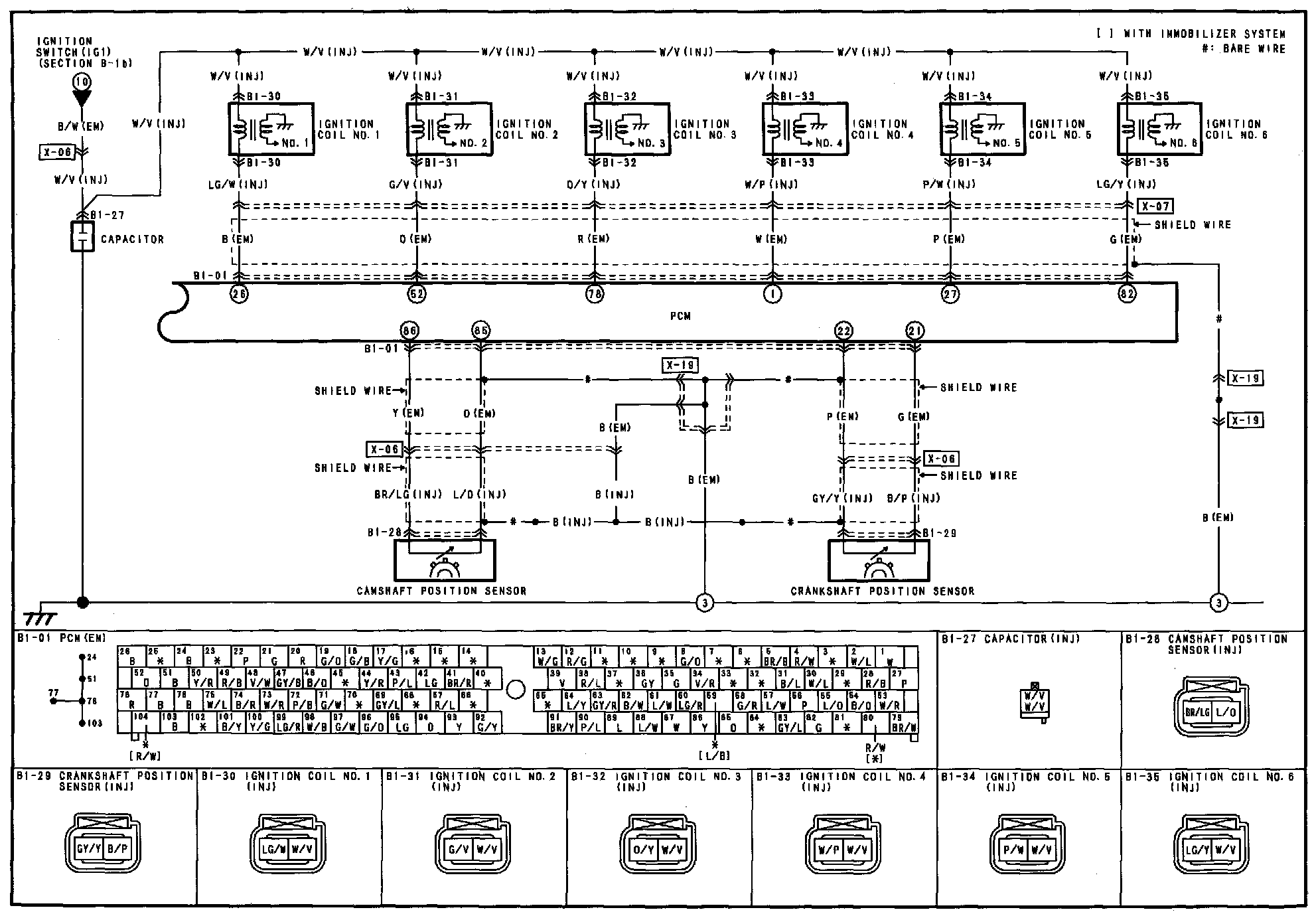
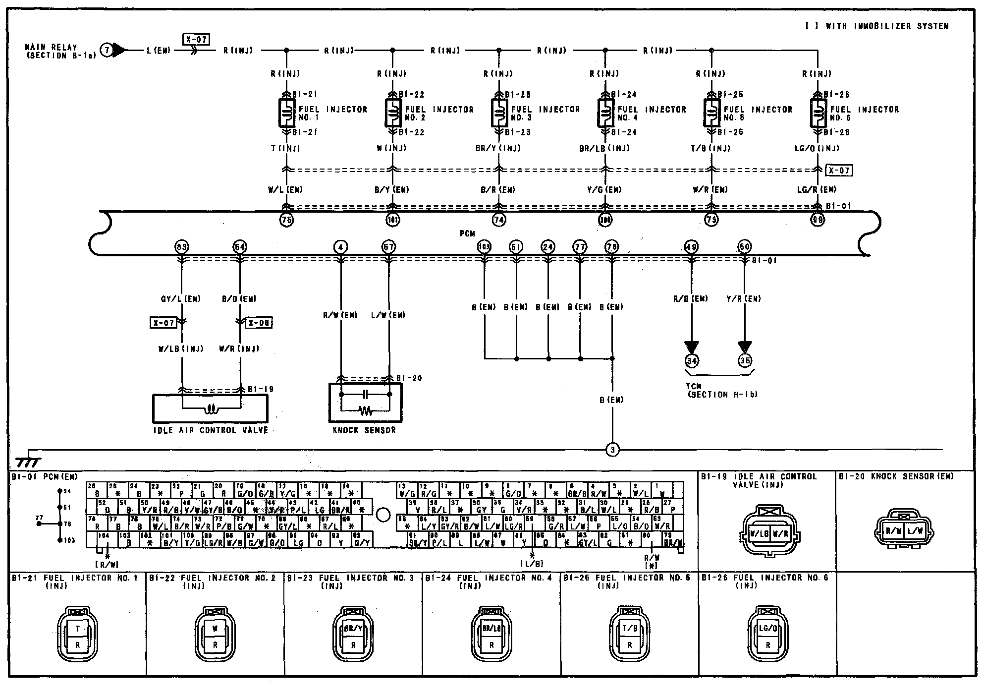
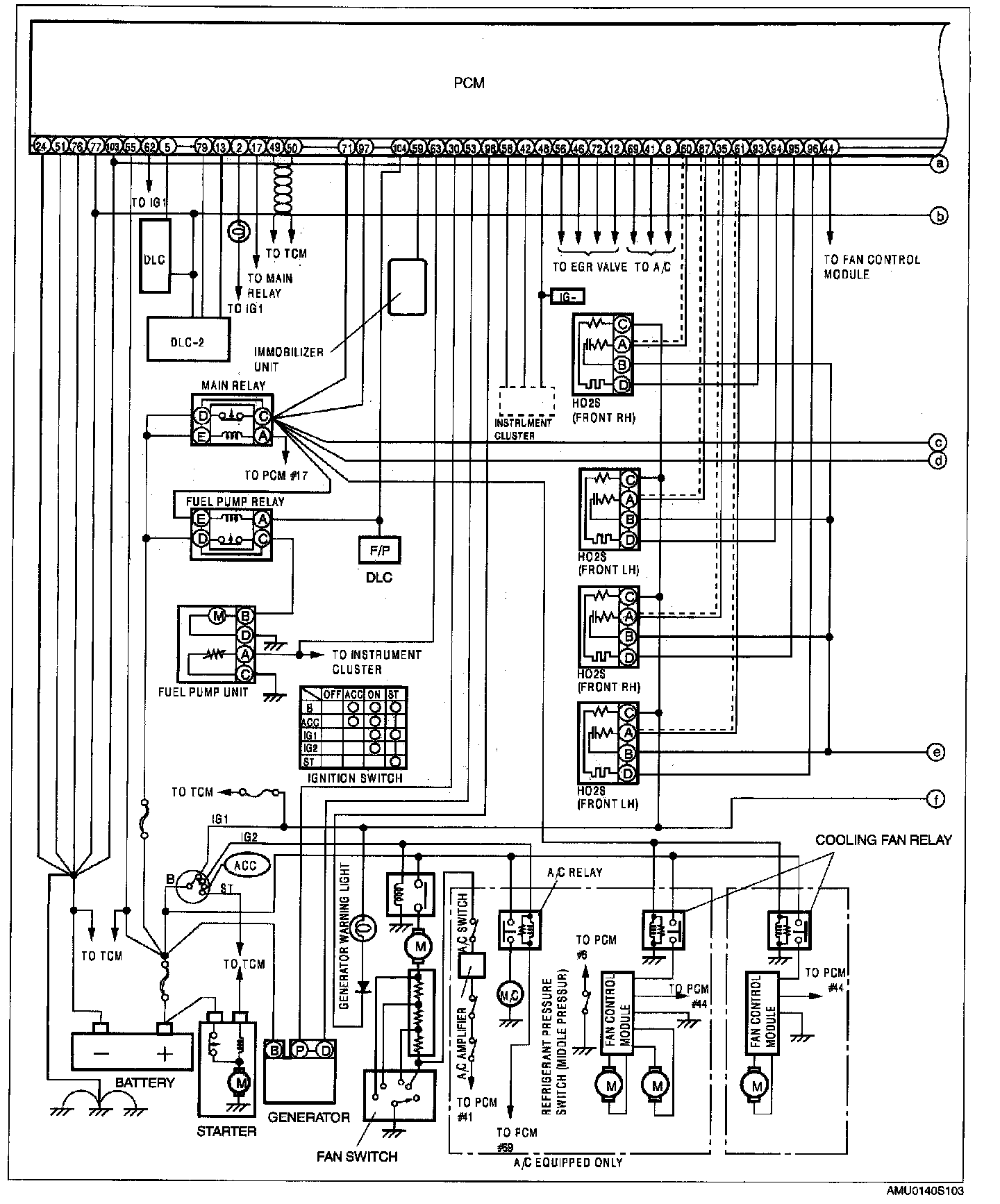
Control System Wiring Diagram - With Immobilizer System Part 1:





Control System Wiring Diagram - With Immobilizer System Part 2:





Control System Wiring Diagram - Without Immobilizer System Part 1:





Control System Wiring Diagram - Without Immobilizer System Part 2:





Control System Wiring Diagram - With Immobilizer System Part 1:





Control System Wiring Diagram - With Immobilizer System Part 2:





Control System Wiring Diagram - Without Immobilizer System Part 1:





Control System Wiring Diagram - Without Immobilizer System Part 2:





Wiring Diagrams

NOTE: To view other sections referred to in these diagrams, see Complete Body and Chassis Diagrams by Section (A Thru Z) Electrical Diagrams