Operation CHARM: Car repair manuals for everyone.
Manuals through 2025 now available!

Our trusted friends have launched a new website named LEMON, which has newer manuals. It also contains all the CHARM manuals.

LEMON is the spiritual successor to CHARM, I recommend you try it!

Link: lemon-manuals.la or lemon-manuals.org.ua

(Some people have issue connecting. LEMON is investigating. For now, use Firefox or change your DNS server)

Or, hide this message: temporarily or permanently

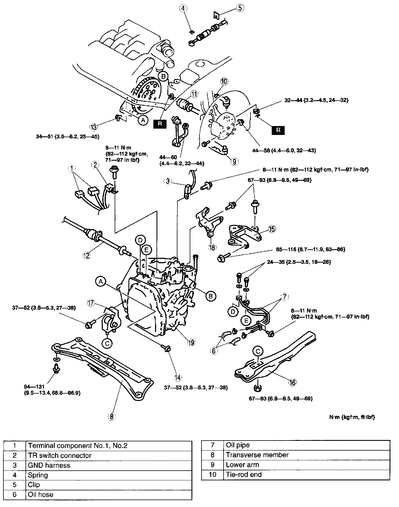
Removal and Replacement

AUTOMATIC TRANSAXLE REMOVAL/INSTALLATION
The oil pan could contain small chips, shavings, and other particles helpful in checking the condition of the transaxle and diagnosing certain problems.
To ensure that all foreign particles stay in the oil pan, make sure that the transaxle is never tipped completely over while the oil pan is still installed.
1. Disconnect the negative battery cable.
2. Drain the ATF into a container.
3. Remove the battery, battery tray, and battery carrier.
4. Remove the air cleaner component.
5. Remove the front wheel and tire.
6. Remove the splash shield.
7. Remove the starter.









8. Remove in the order indicated in the table.
9. After removal, remove the oil pan to inspect the condition of the transaxle.
10. Install in the reverse order of removal.
11. Install the starter.
12. Install the splash shield.
13. Install the wheel and tire.
14. Install the air cleaner component.
15. Install the battery carrier, and battery.
16. Fill the transaxle with the specified ATF after installation.
17. Inspect for leakage of ATF from all connecting points.
18. Connect the negative battery cable.
19. Inspect the operation of the TR switch.
20. Inspect the operation of the selector lever.





21. Carry out the mechanical system test.
22. Carry out the road test.

REMOVAL/INSTALLATION NOTES
No. 4 Engine Mount Bracket Removal Note
1. Remove the windshield wiper link.
2. Remove the windshield wiper motor.





3. Support the engine using the SSTs.
4. Remove the No. 4 engine mount bracket.

Engine Mount Member Removal Note





1. Support the engine on the jack.

Transaxle Removal Note





1. Loosen the SSTs (engine support) and lean the engine toward the transaxle.

Warning:
^ Verify that the transaxle is securely supported by the jack. If the transaxle falls, serious injury or death and damage to the vehicle could result. Before removing the transaxle make sure that the jack is securely supporting it.






2. Support the transaxle on a jack.
3. Remove the transaxle mounting bolts.
4. Remove the transaxle.

Transaxle Installation Note

Warning:
- Verify that the transaxle is securely supported by the jack. If the transaxle should falls, serious injury or death and damage to the vehicle could result. Before removing the transaxle make sure that the jack is securely supporting it.






1. Set the transaxle on a jack and lift it into place.





2. Install the transaxle mounting bolts.
Tightening torque 37 - 52 Nm {3.8 - 5.3 kgf-cm, 28 - 38 ft. lbs.}

No. 1 Engine Mount Installation Note

Caution:
- Align the transaxle bolt holes and the engine mount exactly. Any misalignment can result in bolts and bolt holes becoming damaged or stripped during installation.

1. Use the SSTs (engine support) to make sure the transaxle bolt holes and No. 1 engine mount align.
2. Tighten the bolts to the specified torque.

Engine Mount Member Installation Note





1. Position the direction indicator on engine mount member bushings facing toward the front side, and install the bushings onto the engine mount member.
2. To install the engine mount member, put the No. 2 engine mount stud bolts through the engine mount member installation holes.





3. Install the engine mount member bolts A and nuts A.
Tightening torque
A: 64 - 89 Nm {6.5 - 9.1 kgf-cm, 47 - 65 ft. lbs.}
4. Loosely tighten the No.2 engine mount nuts B and C.
5. Remove the SSTs (engine support).
6. Tighten the No.2 engine mount nuts B and C.
Tightening torque
B: 67 - 93 Nm {6.8 - 9.5 kgf-cm, 50 - 68 ft. lbs.}
C: 85 - 116 Nm {8.7 - 11.9 kgf-cm, 63 - 85 ft. lbs.}

Torque Converter Nuts Installation Note
1. Align the holes by turning torque converter.





2. Insert a screwdriver from the starter installation hole, and lock the drive plate.

Caution:
^ Loosely and equally tighten the torque converter nuts, then further tighten them to the specified tightening torque.

3. Tighten the torque converter mounting nuts.
Tightening torque 34 - 61 Nm {3.5 - 6.2 kgf-cm, 25 - 45 ft. lbs.}

Spring Installation Note





1. Install the selector lever to the manual shaft lever in such a way that the selector cable does not bear a load.

Note:
^ Install the selector lever to the manual shaft lever with the spring side of the selector cable end facing the upward of the vehicle.

2. Confirm that the end of the manual shaft lever sticks out of the end of the selector cable.