Operation CHARM: Car repair manuals for everyone.
Manuals through 2025 now available!

Our trusted friends have launched a new website named LEMON, which has newer manuals. It also contains all the CHARM manuals.

LEMON is the spiritual successor to CHARM, I recommend you try it!

Link: lemon-manuals.la or lemon-manuals.org.ua

(Some people have issue connecting. LEMON is investigating. For now, use Firefox or change your DNS server)

Or, hide this message: temporarily or permanently

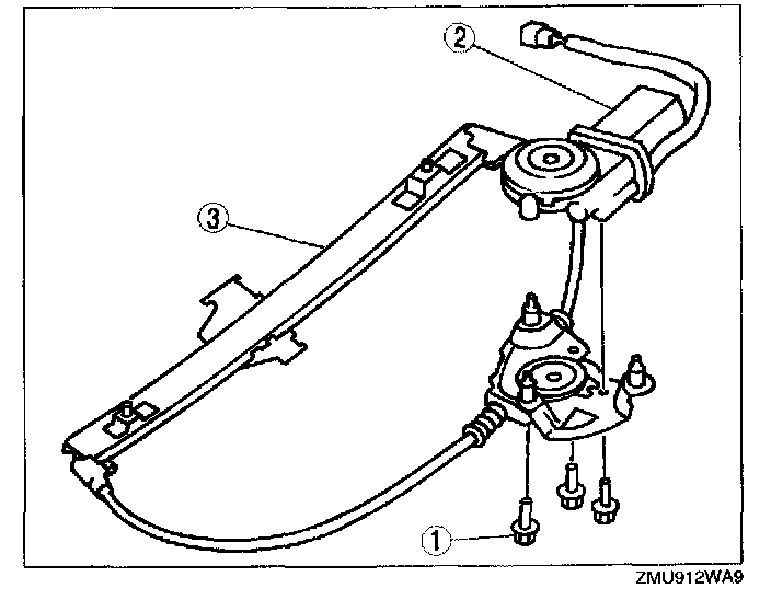
Front Power Window Regulator

FRONT POWER WINDOW REGULATOR REMOVAL/INSTALLATION

1. Disconnect the negative battery cable.
2. Remove the front door glass.
3. Disconnect the front power window regulator connector.
4. Remove the nuts, then remove the front power window regulator.

Tightening torque
6.87 - 9.80 N.m {70 - 100 kgf.cm, 60.8 - 86.7 in.lbf}

5. Install in the reverse order of removal.

FRONT POWER WINDOW REGULATOR DISASSEMBLY/ASSEMBLY




1. Disassemble in the order indicated below.
1. Bolt
2. Power window motor
(See Power Window Motor Disassembly Note)
3. Frame

2. Assemble in the reverse order of disassembly.

Power Window Motor Disassembly Note




1. Hold the drum and the cable with the bracket to prevent them from being pulled out with the power window motor.