Manuals through 2025 now available!
Our trusted friends have launched a new website named LEMON, which has newer manuals. It also contains all the CHARM manuals.
LEMON is the spiritual successor to CHARM, I recommend you try it!
Link:
lemon-manuals.la or
lemon-manuals.org.ua
(Some people have issue connecting. LEMON is investigating. For now, use Firefox or change your DNS server)
Or, hide this message:
temporarily or
permanently
Cruise Control Module: Service and Repair
CRUISE CONTROL MODULE REMOVAL/INSTALLATION 1.
Remove the scuff plate and front side trim.
2.
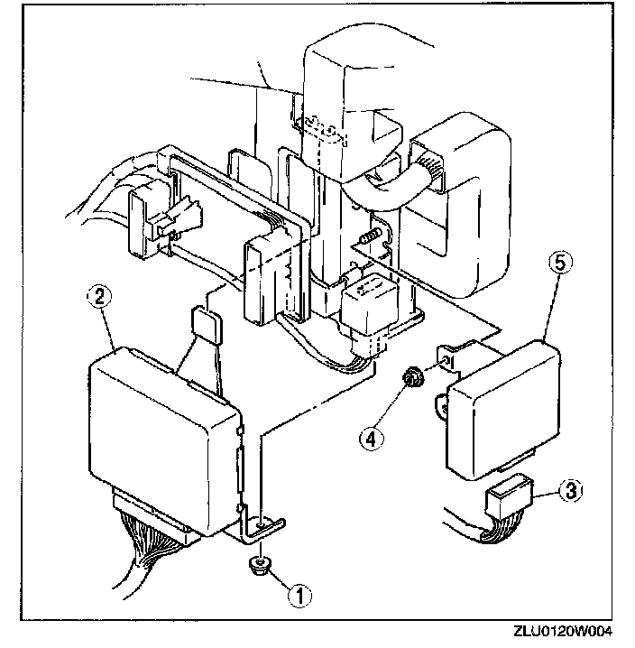
Remove in the order indicated below:
1.
Nut
2.
ABS/TCS control module
3.
Cruise control module connector
4.
Nut
5.
Cruise control module 3.
Install in the reverse order of removal.