Operation CHARM: Car repair manuals for everyone.
Manuals through 2025 now available!

Our trusted friends have launched a new website named LEMON, which has newer manuals. It also contains all the CHARM manuals.

LEMON is the spiritual successor to CHARM, I recommend you try it!

Link: lemon-manuals.la or lemon-manuals.org.ua

(Some people have issue connecting. LEMON is investigating. For now, use Firefox or change your DNS server)

Or, hide this message: temporarily or permanently

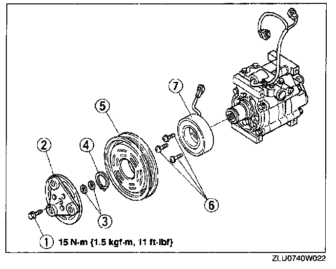
Compressor Clutch: Service and Repair

MAGNETIC CLUTCH DISASSEMBLY/ASSEMBLY

1. Remove the A/C compressor.

2. Disassemble in the order as indicated below.




1. Bolt
2. Pressure plate
3. Shim
4. Snap ring
5. A/C compressor pulley
6. Screw
7. Stator

3. Assemble in the reverse order of disassembly.
4. Adjust the magnetic clutch.

Bolt Disassembly Note




1. When removing the bolt, hold the pressure plate in place as shown in the figure.