Operation CHARM: Car repair manuals for everyone.
Manuals through 2025 now available!

Our trusted friends have launched a new website named LEMON, which has newer manuals. It also contains all the CHARM manuals.

LEMON is the spiritual successor to CHARM, I recommend you try it!

Link: lemon-manuals.la or lemon-manuals.org.ua

(Some people have issue connecting. LEMON is investigating. For now, use Firefox or change your DNS server)

Or, hide this message: temporarily or permanently

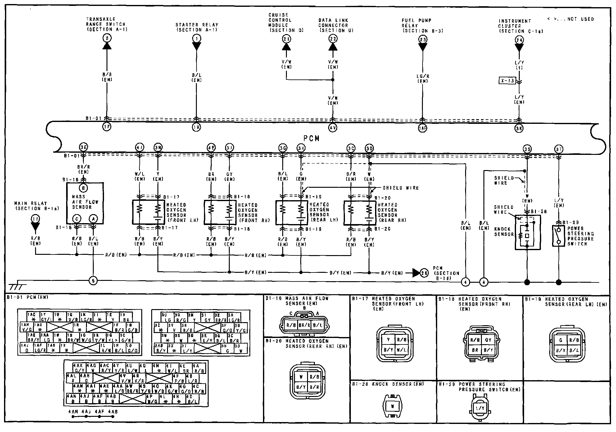
EC-AT Control System

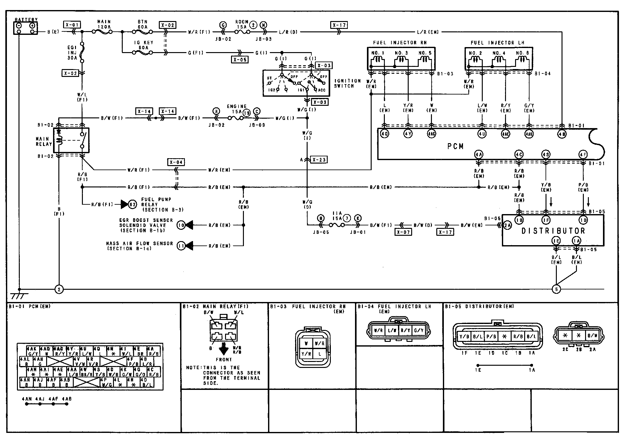
B-1a - Engine Control System (KL) / EC-AT Control System (KL) / Ignition System (KL) Circuit:




B-1b - Engine Control System (KL) / EC-AT Control System (KL) / Ignition System (KL) Circuit:




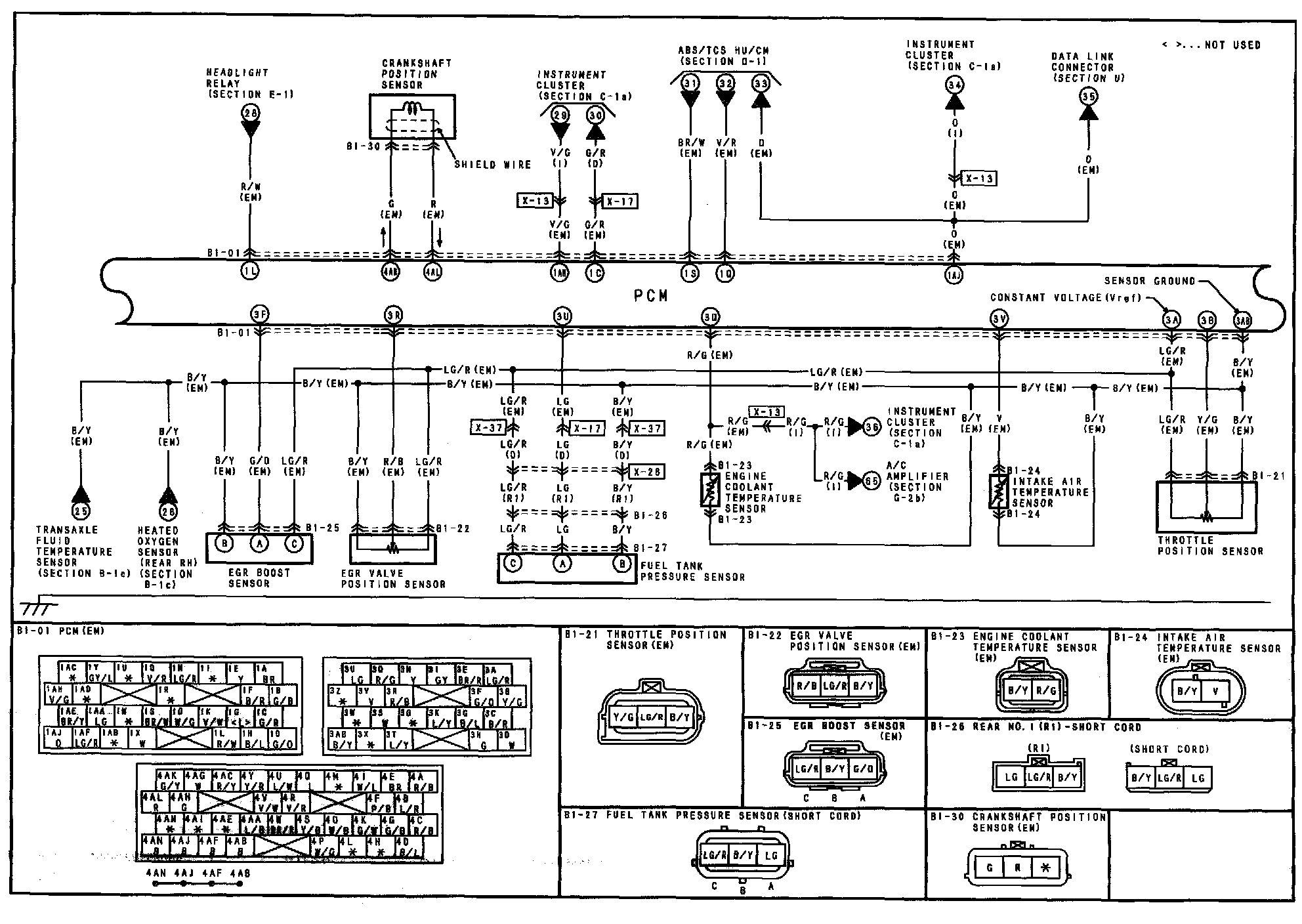
B-1c - Engine Control System (KL) / EC-AT Control System (KL) / Ignition System (KL) Circuit:




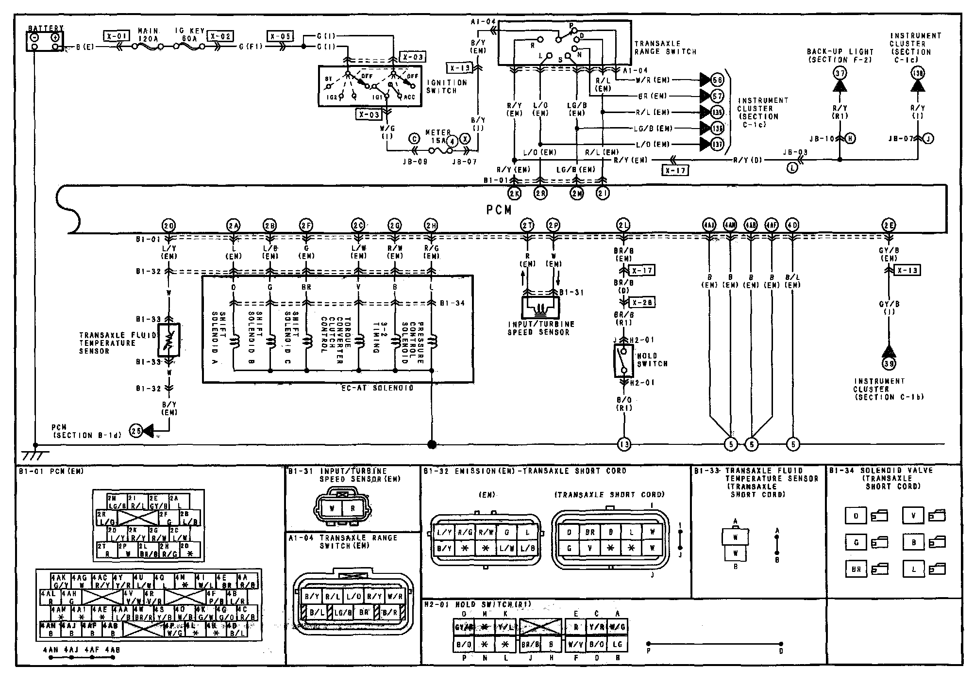
B-1d - Engine Control System (KL) / EC-AT Control System (KL) / Ignition System (KL) Circuit:




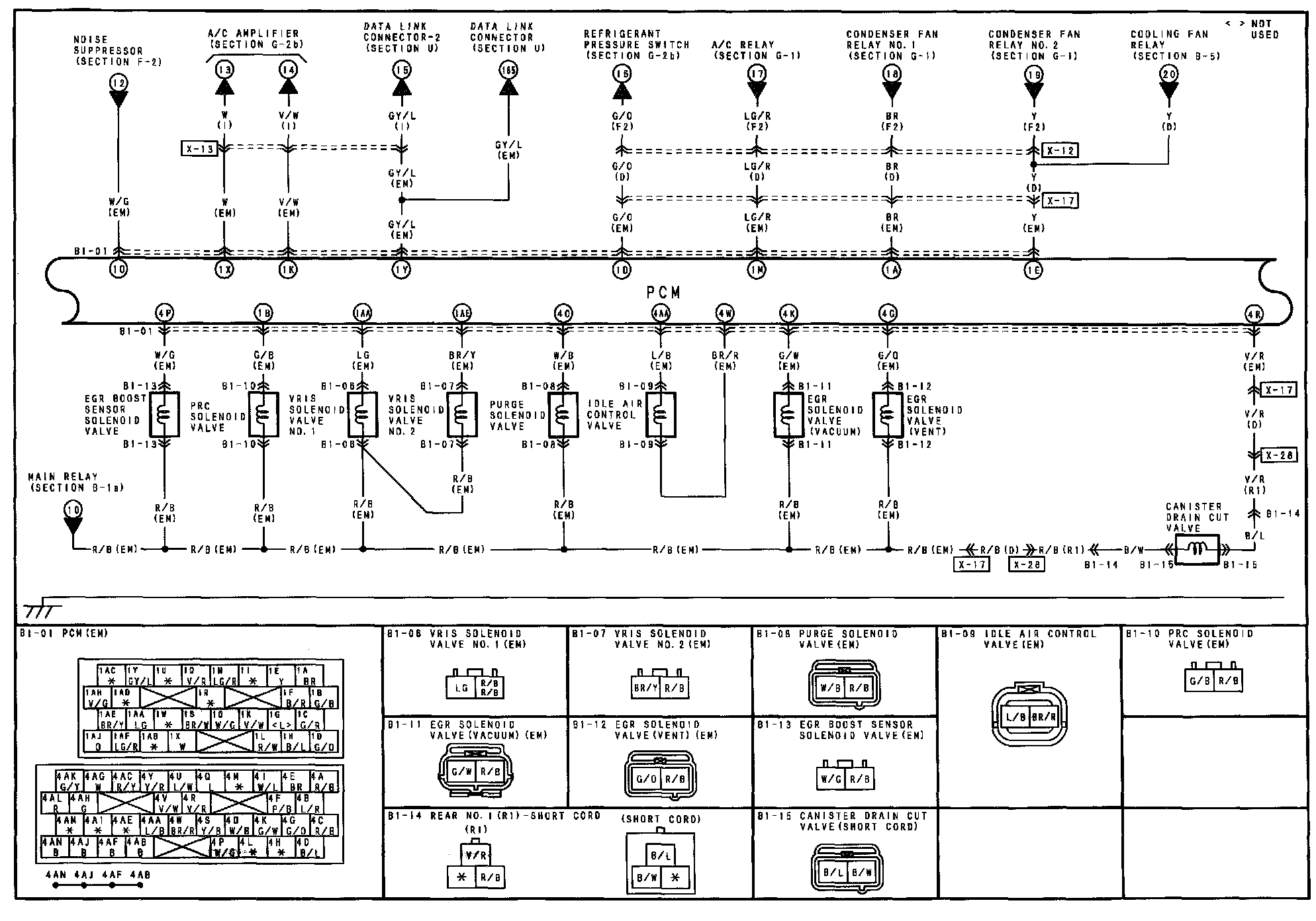
B-1e - Engine Control System (KL) / EC-AT Control System (KL) / Ignition System (KL) Circuit:




Wiring Diagrams

NOTE: To view other sections referred to in these diagrams, see Complete Body and Chassis Diagrams by Section (A Thru Z) Electrical Diagrams