Operation CHARM: Car repair manuals for everyone.
Manuals through 2025 now available!

Our trusted friends have launched a new website named LEMON, which has newer manuals. It also contains all the CHARM manuals.

LEMON is the spiritual successor to CHARM, I recommend you try it!

Link: lemon-manuals.la or lemon-manuals.org.ua

(Some people have issue connecting. LEMON is investigating. For now, use Firefox or change your DNS server)

Or, hide this message: temporarily or permanently

Timing Chain (RH) Assembly Note

Timing Chain (RH) Assembly Note





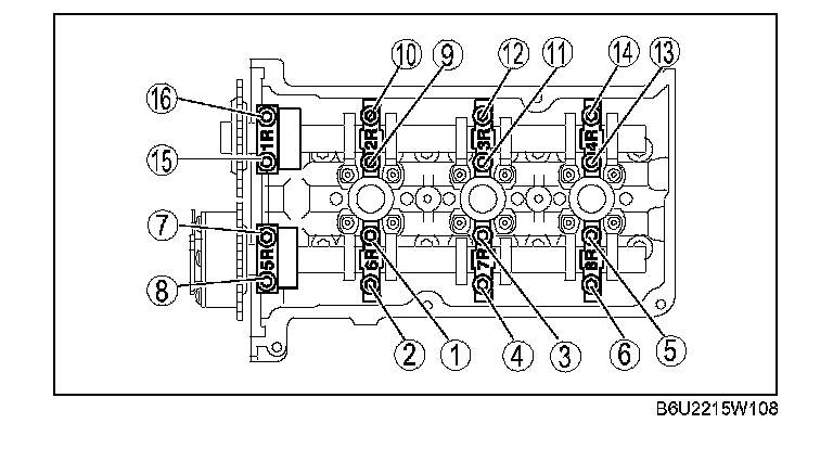
1. Install the timing chain (RH) by aligning the colored links on the timing chain (RH) with the marks on the timing sprockets.

Caution
^ Install the camshaft bearing thrust caps after installing the other bearing caps, or damage to the thrust caps may occur.


2. Align the camshaft end play using the camshaft bearing thrust caps 1R and 5R, and tighten the other bearing caps.





3. Tighten the bearing caps in the order indicated in the figure in several passes.
4. Install the chain tensioner and remove the retaining wire.