Operation CHARM: Car repair manuals for everyone.
Manuals through 2025 now available!

Our trusted friends have launched a new website named LEMON, which has newer manuals. It also contains all the CHARM manuals.

LEMON is the spiritual successor to CHARM, I recommend you try it!

Link: lemon-manuals.la or lemon-manuals.org.ua

(Some people have issue connecting. LEMON is investigating. For now, use Firefox or change your DNS server)

Or, hide this message: temporarily or permanently

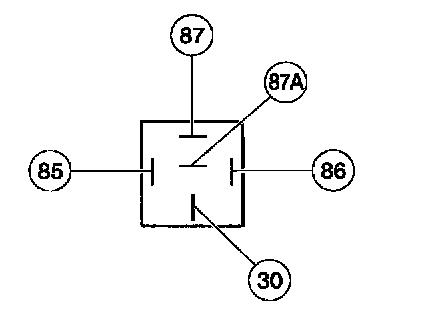
Power Door Lock Relay: Testing and Inspection

RELAY COMPONENT TEST




Testing of an ISO relay can be accomplished through the use of three No. 10 (or larger gauge) jumper wires and a multimeter.

Driver Unlock Relay
Check for the continuity between terminal 85 and all other terminals. If the resistance is 5 ohms or less between terminal 85 and any other terminal, replace the relay. If the resistance is greater than 5 ohms, continue with the test. Use two jumper wires to connect relay terminals 86 and 30 directly to the positive battery terminal. Check for voltage at terminal 87A. If battery voltage is not indicated, replace the relay. If battery voltage is indicated, connect a third jumper wire to terminal 85, and ground the jumper wire to a known good ground. Check for voltage at terminal 87. If battery voltage is not indicated, replace the relay.

All Lock And All Unlock Relays




Perform this test when directed to in the diagnostic pin-point tests.
1. Measure resistance between terminal 2 and terminals 1, 3, 4 and 5. If resistance is 5 ohms or less between terminal 2 and any other terminal, replace the relay. If resistance is greater than 5 ohms, go to step 2.
2. Use two jumper wires to connect terminals 1 and 3 directly to the positive battery terminal. Measure voltage at terminal 4. If there is no battery voltage, replace the relay. If there is battery voltage go to step 3.
3. Connect a third jumper wire to terminal 2 and a known good ground. Measure voltage at terminal 5. If there is no battery voltage, replace the relay.