Operation CHARM: Car repair manuals for everyone.
Manuals through 2025 now available!

Our trusted friends have launched a new website named LEMON, which has newer manuals. It also contains all the CHARM manuals.

LEMON is the spiritual successor to CHARM, I recommend you try it!

Link: lemon-manuals.la or lemon-manuals.org.ua

(Some people have issue connecting. LEMON is investigating. For now, use Firefox or change your DNS server)

Or, hide this message: temporarily or permanently

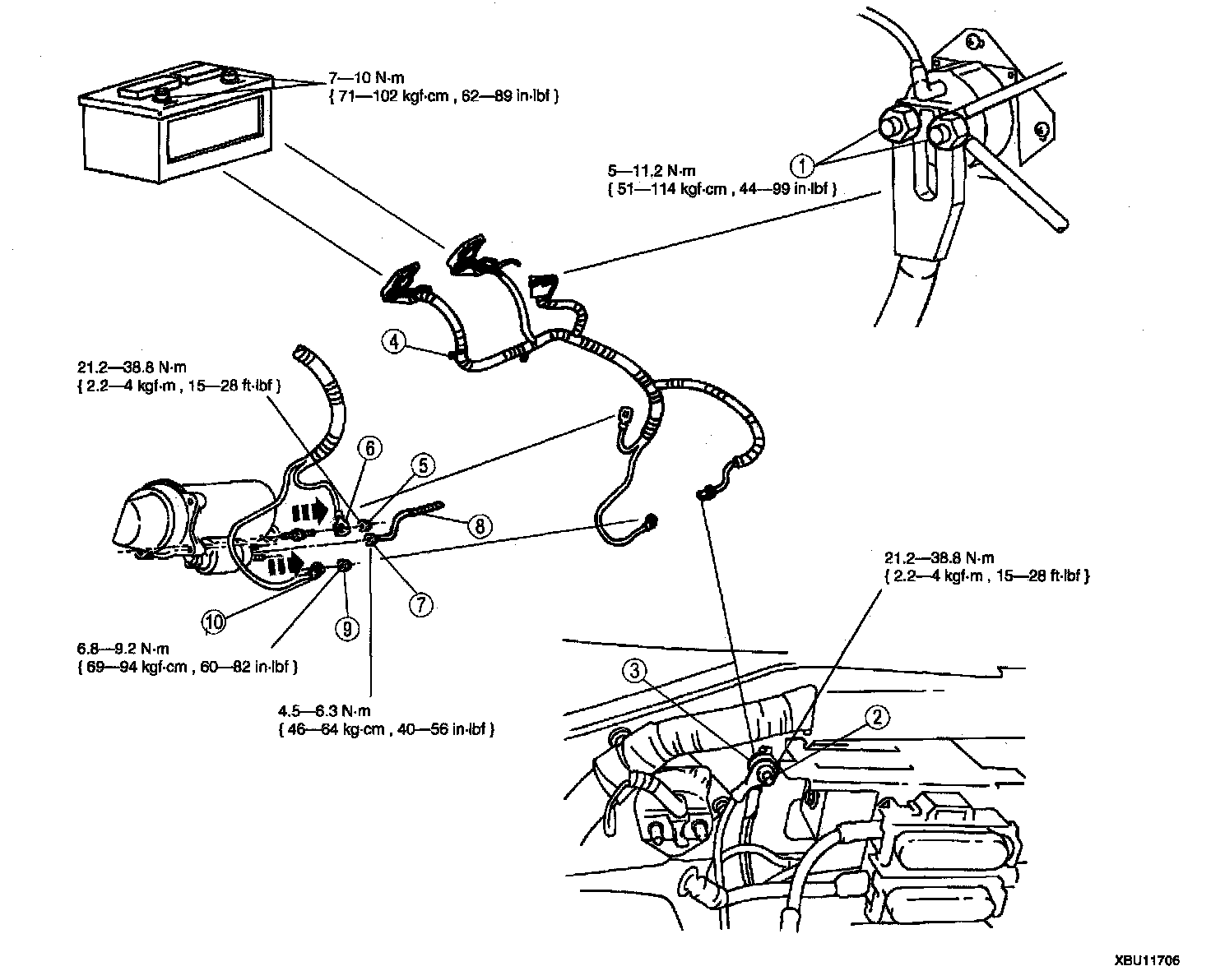
Battery Cable: Service and Repair

BATTERY CABLES REMOVAL/INSTALLATION







1. Disconnect both battery cables.
2. Remove the nuts (1).
3. Remove the negative battery cable body ground nut (2) and starter motor ground (3).
4. Remove the bolt (4)
5. Remove the starter motor solenoid terminal cover.
6. Disconnect the starter motor connections.
1. Remove the starter motor ground cable nut (5) and disconnect the starter motor ground cable (6).
2. Remove the solenoid cable nut (7) and disconnect the solenoid cable (8).
3. Remove the starter motor positive cable nut (9) and disconnect the starter motor positive cable (10).

7. Remove the cables.

NOTE: When the battery is disconnected arid e connected, some abnormal drive symptoms may occur while the vehicle relearns its adaptive strategy. The vehicle may need to be driven 16 kilometers (10 mi) or more to relearn the strategy.

8. Install in reverse order of removal.