Operation CHARM: Car repair manuals for everyone.
Manuals through 2025 now available!

Our trusted friends have launched a new website named LEMON, which has newer manuals. It also contains all the CHARM manuals.

LEMON is the spiritual successor to CHARM, I recommend you try it!

Link: lemon-manuals.la or lemon-manuals.org.ua

(Some people have issue connecting. LEMON is investigating. For now, use Firefox or change your DNS server)

Or, hide this message: temporarily or permanently

Timing Chain: Service and Repair

TIMING CHAIN REMOVAL/INSTALLATION

Warning:
^ Fuel vapor is hazardous. It can very easily ignite, causing serious injury and damage. Always keep sparks and flames away from fuel.
^ Fuel line spills and leakage are dangerous. Fuel can ignite and cause serious injures or death and damage. Fuel can also irritate skin and eyes. To prevent this, always complete the "Fuel Line Safety Procedure".









1. Disconnect the negative battery cable.
2. Remove the splash shield (RH).
3. Drain the engine oil.
4. Remove the cruise control actuator.
5. Remove the dynamic chamber.
6. Remove the drive belt.
7. Remove the P/S oil pump pulley and P/S oil pump.
8. Remove the ignition coils.
9. Remove the TWC (LH).
10. Remove the oil pan.
11. Disconnect the generator, but do not remove it from the vehicle. After disconnection, fix the generator using a rope to prevent it from falling.
12. Remove the A/C compressor with the A/C pipe connected, and fix the A/C compressor using a rope to prevent it from falling.
13. Remove in the order indicated in the table.
14. Install in the reverse order of removal.
15. Inspect the ignition timing.

Water Pump Drive Belt Pulley Removal Note





1. Replace part A of the SST (303-009) with the SST (303-457).





2. Remove the water pump pulley using the SSTs.

Camshaft Oil Seal Removal Note





1. Cut the oil seal lip using a razor knife.
2. Remove the oil seal using a screwdriver as shown.

Cylinder Head Cover (LH) Removal Note





1. Remove the cylinder head cover bolts in the order shown.

Engine Hanger Removal Note
1. Lift up the vehicle and loosen the engine hanger installation bolts from under the vehicle.

Cylinder Head Cover (RH) Removal Note





1. Remove the cylinder head cover bolts in the order shown.

No. 3 Engine Joint Bracket Removal Note





1. Install the engine hanger (RH).
2. Suspend the engine using the SSTs.
3. Remove the No. 3 engine joint bracket.

Crankshaft Pulley Lock Bolt Removal Note





1. Hold the crankshaft pulley using a commercially available tool and loosen the lock bolt.

Crankshaft Pulley Removal Note





1. Remove the crankshaft pulley using the SST.

Front Oil Seal Removal Note





1. Remove the front oil seal using a screwdriver as shown.

Engine Front Cover Removal Note





1. Remove the engine front cover bolts and studs in the order shown.

Timing Chain Component (RH) Removal Note





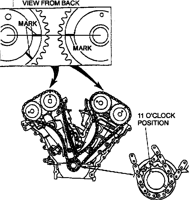
1. Verify that mark on each sprocket is in the TDC position as shown.





2. Turn the crankshaft clockwise so that the crankshaft keyway is in the 3 o'clock position. (The camshafts (RH) are in the neutral position.)

Caution: Do not rotate the crankshaft counterclockwise. The timing chains may bind, causing engine damage.





3. Remove the timing chain (RH) in the following order.
1. Chain tensioner
2. Tensioner arm
3. Timing chain
4. Chain guide

Camshaft Caps (RH) Removal Note

Caution: Cylinder head and the camshaft bearing caps are numbered to make sure they are assembled in their original position. When removed, keep the bearing caps with the cylinder head they were removed from together. Do not mix the caps.





1. Remove the RH camshaft thrust caps 1 R and OR

Caution: Remove the camshaft bearing thrust caps Nos. 1 R and 5R first. Do not loosen any of the other bolts until the thrust caps are removed, or damage to the thrust caps may occur.

Note: Loosen bolts using several passes Do not remove bolts completely.





2. Loosen the remaining bolts 7-8 turns in the indicated sequence in several passes to allow the camshafts (RH) to be slowly raised.

Note: Be sure not to loosen any of the other bolts until the thrust caps are removed.

Timing Chain Component (LH) Removal Note





1. Rotate the crankshaft clockwise 1 and 2f3 turns until the keyway is in the 11 o'clock position.





2. Remove the timing chain (LH) in the following order.
1. Chain tensioner
2. Tensioner arm
3. Timing chain
4. Chain guide
5. Timing chain crankshaft sprocket

Camshaft Caps (LH) Removal Note

Caution:
^ Cylinder head and the camshaft bearing caps are numbered to make sure they are assembled in their original position. When removed, keep the bearing caps with the cylinder head they were removed from. Do not mix the cans
^ Remove the camshaft bearing thrust caps Nos. 1 L and 5L first. Do not loosen any of the other bolts until the thrust caps are removed, or damage to the thrust caps may occur.

Note: Be sure not to loosen any of the other bolts until the thrust caps are removed.





1. Remove the camshaft (LH) thrust caps 1 L and 5L.

Note: Loosen bolts using several passes. Do not remove bolts completely.





2. Loosen the remaining bolts 7-8 turns in the indicated sequence to allow the camshaft (LH) to rise.

Timing Chain Component (LH) Installation Note





1. Verify that the crankshaft keyway is at 11 o'clock position.





2. Position the mark on the intake camshaft to 9 o'clock position.
3. Position the mark on the exhaust camshaft to 12 o'clock position.

Note: Install the timing chain by aligning the colored links on the timing chain with the marks on the timing sprockets.





4. Install the timing chain (LH) in the following order.
1. Timing chain crankshaft sprocket
2. Chain guide
3. Timing chain
4. Tensioner arm

Caution: Install the camshaft journal thrust caps last, or damage to the thrust caps may occur.





5. Tighten the bearing caps evenly in the order shown in several passes.

Note: After adjusting the camshaft end play using the thrust caps 1 L and 5L, tighten the other bearing caps.

Chain Tensioner (LH) Installation Note





1. Set the chain tensioner (LH) in a vise with jaw protectors.





2. Using a thin screwdriver, hold the chain tensioner (LH) ratchet lock mechanism away from the ratchet stem.

Note: The piston should retract with minimal force. If binding occurs, remove the tensioner from the vise and reset it in the vise.

3. Slowly compress the tensioner piston.





4. Hold the tensioner piston using a 1.5 mm (0.059 inch) wire or paper clip.





5. Install the chain tensioner (LH) and remove the retaining wire.

Timing Chain Component (RH) Installation Note





1. Rotate the crankshaft clockwise until the keyway is in the 3 o'clock position.





2. Position the mark on the exhaust camshaft to 12 o'clock position.
3. Position the mark on the intake camshaft to 3 o'clock position.

Note: Install the timing chain (RH) by aligning the colored links on the timing chain (RH) with the marks on the timing sprockets.





4. Install the timing chain (RH) in the following order.
1. Chain guide
2. Timing chain
3. Tensioner arm

Caution: Install the camshaft journal thrust cap lasts or damage to the thrust cap may occur.





5. Tighten the bearing caps evenly in several passes in the order shown.

Note: After adjusting the camshaft end play using the thrust caps 1 R and 5R, tighten the other bearing caps.

Chain Tensioner (RH) Installation Note





1. Set the chain tensioner (RH) in a vise with jaw protectors.





2. Using a thin screwdriver, hold the chain tensioner (RH) ratchet lock mechanism away from the ratchet stem.

Note: The piston should retract with minimal force. If binding occurs, remove the tensioner from the vise and reset it in the vise.

3. Slowly compress the tensioner piston.





4. Hold the tensioner piston using a 1.5 mm (0.059 inch) wire or paper clip.





5. Install the chain tensioner (RH) and remove the retaining wire.





6. Rotate the crankshaft clockwise 1 and 2/3 turns until the key is in the 11 o'clock position.
7. Verify that the marks on the back of the camshaft sprockets are aligned.

Crankshaft Position (CKP) Sensor Pulse Wheel Installation Note





1. Use the keyway marked 25/34Y (blue paint stripe) to install the rotor with the indentation towards the front.

Engine Front Cover Installation Note





1. Apply a 6 mm (0.24 inch) dot of silicone sealant at the indicated location.





2. Install the remaining bolts and studs, and then tighten all bolts and studs in the order shown.

Front Oil Seal Installation Note





1. Assemble the front oil seal using part A of the SST (303-335) and the SST (49 UN01 002).
2. Apply clean engine oil to the oil seal.
3. Push the oil seal slightly in by hand.





4. Compress the oil seal using the SSTs.

Crankshaft Pulley Installation Note





1. Seal the keyway in the crankshaft pulley using silicone sealant.
2. Install the crankshaft pulley using the SST and the crankshaft pulley lock bolt washer.

Crankshaft Pulley Lock Bolt Installation Note





1. Hold the crankshaft pulley using a commercially available tool.
2. Tighten the new crankshaft pulley lock bolt in four steps.
1. Tighten to 120 Nm (12.2 kgf-m, 88.5 ft. lbs.).
2. Loosen 360 ° (one full turn) in reverse order.
3. Tighten to 47 - 53 Nm (4.8 - 5.4 kgf-m, 35 - 39 ft. lbs.).
4. Tighten 85 - 95 °.

Cylinder Head Cover (RH) Installation Note





1. Apply silicone sealant to the mating faces as shown.
2. Install the cylinder head cover with a new gasket.





3. Tighten the bolts in the order shown.

Engine Hanger Installation Note
1. Lift up the vehicle and tighten the engine hanger installation bolts from under the vehicle.

Cylinder Head Cover (LH) Installation Note





1. Apply silicone sealant to the mating faces as shown.
2. Install the cylinder head cover with a new gasket.





3. Tighten the bolts in the order shown.

Camshaft Oil Seal Installation Note





1. Apply clean engine oil to the camshaft oil seal.
2. Install the camshaft oil seal using the SSTs.

Water Pump Drive Belt Pulley Installation Note





1. Install the water pump pulley using the SST.