Operation CHARM: Car repair manuals for everyone.
Manuals through 2025 now available!

Our trusted friends have launched a new website named LEMON, which has newer manuals. It also contains all the CHARM manuals.

LEMON is the spiritual successor to CHARM, I recommend you try it!

Link: lemon-manuals.la or lemon-manuals.org.ua

(Some people have issue connecting. LEMON is investigating. For now, use Firefox or change your DNS server)

Or, hide this message: temporarily or permanently

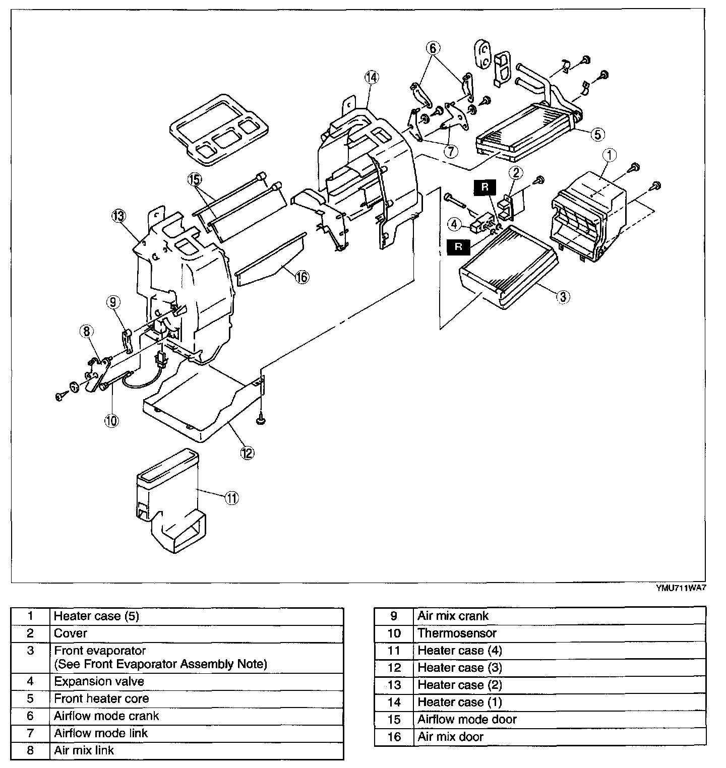
Front A/C Unit

FRONT A/C UNIT REMOVAL/INSTALLATION

1. Disconnect the negative battery cable.
2. Drain the engine coolant.
3. Evacuate the refrigerant from the system.

CAUTION: If moisture or foreign material enters the refrigeration cycle, cooling ability will be lowered and abnormal noise will occur. Always immediately plug open fittings after removing any refrigeration cycle parts to keep moisture or foreign material out of the cycle.

4. Remove the dashboard.










5. Remove in the order indicated below.
1. Front heater hose
(See Heater Pipe and Hose Component Installation Note)
2. Cooler pipe No.3
(See Refrigerant Lines Removal Note)
(See Refrigerant Lines Installation Note)
3. Air duct
4. Front A/C unit

6. Install in the reverse order of removal.

FRONT A/C UNIT DISASSEMBLY/ASSEMBLY




1. Disassemble in the order indicated in the table.
2. Assemble in the reverse order of disassembly.

Front Evaporator Assembly Note

1. When assembling a new front evaporator, add a supplemental amount of ND-OIL8 compressor oil from the inlet.

Supplemental amount (approximate quantity)
40 ml {40 cc, 1.4 fl oz}