Operation CHARM: Car repair manuals for everyone.
Manuals through 2025 now available!

Our trusted friends have launched a new website named LEMON, which has newer manuals. It also contains all the CHARM manuals.

LEMON is the spiritual successor to CHARM, I recommend you try it!

Link: lemon-manuals.la or lemon-manuals.org.ua

(Some people have issue connecting. LEMON is investigating. For now, use Firefox or change your DNS server)

Or, hide this message: temporarily or permanently

Combination Switch: Service and Repair

COMBINATION SWITCH REMOVAL/INSTALLATION

1. Disconnect the negative battery cable.
2. Remove the driver-side air bag module.
3. Remove the steering wheel.
4. Remove the column cover.
5. Remove the clock spring.




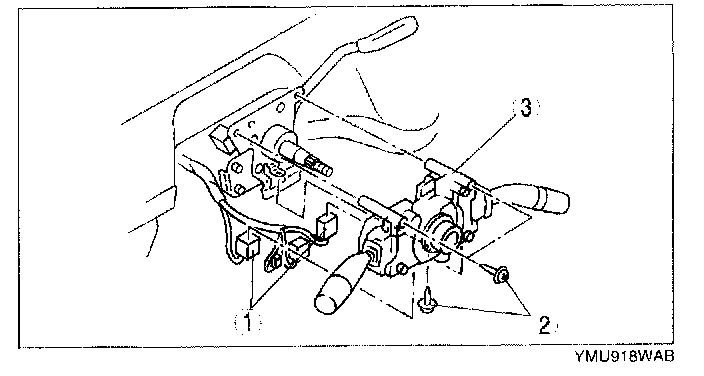
6. Remove in the order indicated below.
1. Connector
2. Screw
3. Combination switch

7. Install in the reverse order of removal.

COMBINATION SWITCH DISASSEMBLY/ASSEMBLY




1. Disassemble in the order indicated below.
1. Screw
2. Wiper and washer switch
3. Light switch
4. Body

2. Assemble in the reverse order of disassembly.