Operation CHARM: Car repair manuals for everyone.
Manuals through 2025 now available!

Our trusted friends have launched a new website named LEMON, which has newer manuals. It also contains all the CHARM manuals.

LEMON is the spiritual successor to CHARM, I recommend you try it!

Link: lemon-manuals.la or lemon-manuals.org.ua

(Some people have issue connecting. LEMON is investigating. For now, use Firefox or change your DNS server)

Or, hide this message: temporarily or permanently

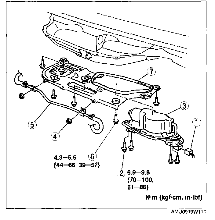
Windshield Wiper Motor

WINDSHIELD WIPER MOTOR REMOVAL/INSTALLATION

1. Disconnect the negative battery cable.
2. Remove the windshield wiper arm and blade
3. Remove the cowl grille.
4. Pry off the connection between the windshield wiper motor and windshield wiper link.




5. Remove in the order indicated below.
1. Connector
2. Bolt
3. Windshield wiper motor
4. Nut
5. Hose
6. Bolt
7. Link and frame

6. Install in the reverse order of removal.
7. Adjust the windshield wiper arm and blade.