Operation CHARM: Car repair manuals for everyone.
Manuals through 2025 now available!

Our trusted friends have launched a new website named LEMON, which has newer manuals. It also contains all the CHARM manuals.

LEMON is the spiritual successor to CHARM, I recommend you try it!

Link: lemon-manuals.la or lemon-manuals.org.ua

(Some people have issue connecting. LEMON is investigating. For now, use Firefox or change your DNS server)

Or, hide this message: temporarily or permanently

Heater Core Case: Service and Repair

HEATER UNIT REMOVAL/INSTALLATION

1. Disconnect the negative battery cable.
2. Drain the engine coolant. (See ENGINE COOLANT REPLACEMENT.)
3. Remove the dashboard (See DASHBOARD REMOVAL/INSTALLATION.)




4. Remove the seal plate.




5. Remove in the order indicated below.
1. Heater hose
2. Nut
3. Heater unit

6. Install in the reverse order of removal.
7. Refill the engine coolant. (See ENGINE COOLANT REPLACEMENT.)

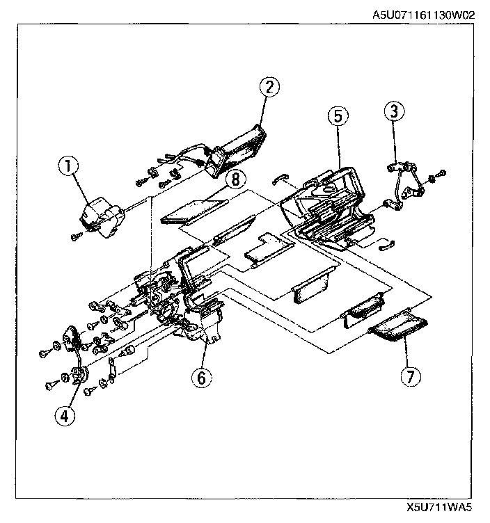
HEATER UNIT DISASSEMBLY/ASSEMBLY




1. Disassemble in the order indicated below.
1. Cover
2. Heater core
3. Air mix link
4. Airflow mode link
5. Case (RH)
6. Case (LH)
7. Air mix door
8. Airflow mode door

2. Assemble in the reverse order of disassembly.