Combination Switch: Service and Repair
COMBINATION SWITCH REMOVAL/INSTALLATION1. Disconnect the negative battery cable.
2. Remove the driver-side air bag module.
3. Remove the steering wheel.
4. Remove the column cover.
5. Remove the clock spring.
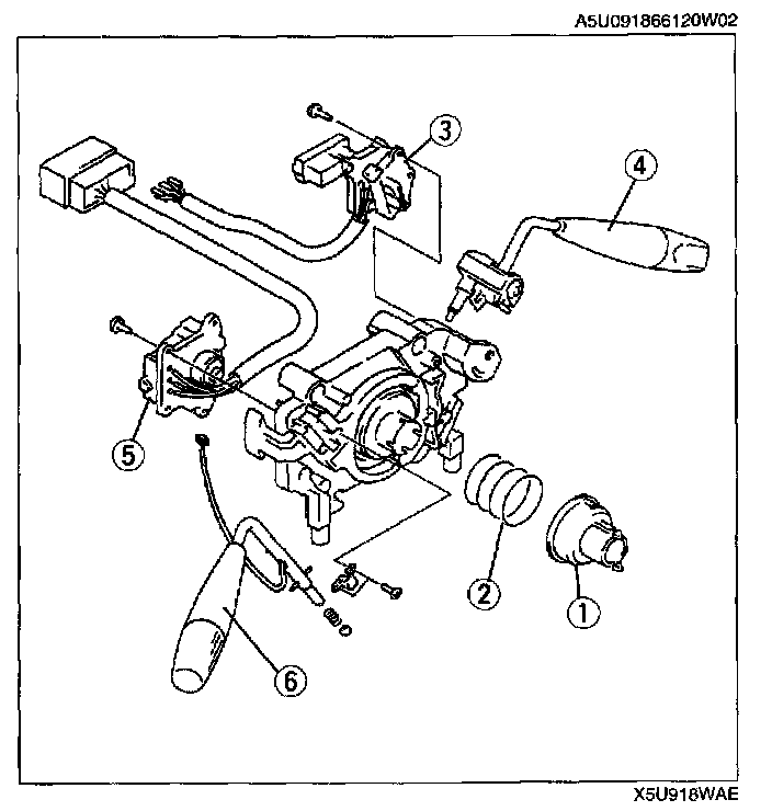
6. Remove in the order indicated below.
1. Connector
2. Screw
3. Combination switch
7. Install in the reverse order of removal.
COMBINATION SWITCH DISASSEMBLY/ASSEMBLY
1. Disassemble in the order indicated below.
1. Cancel cam
2. Spring
3. Wiper unit
(See Wiper Unit Assembly Note)
4. Wiper lever
5. Light unit
6. Light lever
2. Assemble in the reverse order of disassemble.
Wiper Unit Assembly Note
1. Make sure the terminals of the harness assembly are connected to the terminals of the connector as shown in the table.