Operation CHARM: Car repair manuals for everyone.
Manuals through 2025 now available!

Our trusted friends have launched a new website named LEMON, which has newer manuals. It also contains all the CHARM manuals.

LEMON is the spiritual successor to CHARM, I recommend you try it!

Link: lemon-manuals.la or lemon-manuals.org.ua

(Some people have issue connecting. LEMON is investigating. For now, use Firefox or change your DNS server)

Or, hide this message: temporarily or permanently

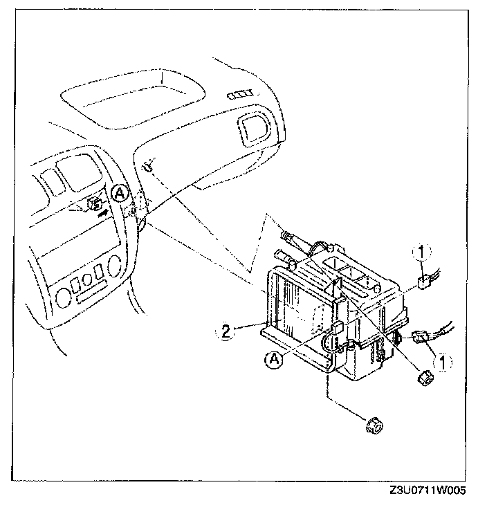
Evaporator Core: Service and Repair

COOLING UNIT REMOVAL/INSTALLATION

1. Disconnect the negative battery cable.
2. Discharge the refrigerant from the system. (See REFRIGERANT CHARGING.)
3. Remove the passenger-side lower panel.
4. Remove the glove compartment and glove compartment cover.

CAUTION: If moisture or foreign material enters the refrigeration cycle, cooling ability will be lowered and abnormal noise will occur. Always immediately plug all open fittings after removing any refrigeration cycle parts to keep moisture or foreign material out of the cycle.




5. Disconnect cooler pipe No.3 and cooler hose (LO). (See Refrigerant Lines Removal Note.) (See Refrigerant Lines Installation Note.)




6. Remove in the order indicated in the table. Do not allow compressor oil to spill.
1. Connector
2. Cooling unit (See Cooling Unit Installation Note)

7. Install in the reverse order of removal.
8. Perform the refrigerant system performance test. (See REFRIGERANT SYSTEM PERFORMANCE TEST.)

Cooling Unit Installation Note

1. When installing a new cooling unit (evaporator), add a supplemental amount of ATMOS GU10 compressor oil into the refrigeration cycle.

Supplemental amount (approximate quantity) 30 ml {30 cc, 1.0 fl oz}

COOLING UNIT DISASSEMBLY/ASSEMBLY




1. Disassemble in the order indicated in the table.

CAUTION: If moisture or foreign material enters the refrigeration cycle, cooling ability will be lowered and abnormal noise will occur. Always immediately plug all open fittings after removing any refrigeration cycle parts to keep moisture or foreign material out of the cycle.

2. Assemble in the reverse order of disassembly.

Expansion Valve Assembly Note

1. Apply compressor oil to the O-rings and connect the joint.
2. Tighten the nut of the joint by hand.
3. Tighten the joint with the specified torque with a spanner and torque wrench.




4. Assemble the heat-sensing tube as shown in the figure.




5. Route the capillary tube as shown in the figure.
6. Verify that the capillary tube is not in the shaded zone

Evaporator Assembly Note




1. Verify that the dent caused by contact with the polyuretane protector and cooler case (1) in the shaded zone is 3 mm {0.12 in} or less.

Adhesive Sponge Rubber Assembly Note




1. Attach the adhesive sponge rubber so that the heat sensing tube is hidden.

Insulator Assembly Note




1. Make the two insulators cross.
2. Attach the insulator so that the shaded zone of expansion valve is hidden.

A/C Amplifier Assembly Note




1. Assemble the evaporator temperature sensor as shown in the figure.

Sensor Clamp assembly Note




1. Assemble the sensor clamp as shown in the figure.

Polyethylene Foam Assembly Note




1. Apply the adhesive to a range of 50 mm {1.97 in} from the edge of polyethylene foam, and around the drain outlet. Apply the polyethylene foam to the cooler case (2).